HMC659LC5/HMC659LC5TR遍布式電機功率變成器 包含RoHS標準規范 ADI現貨黃金代理加盟商
上線時長:2018-06-25 14:26:35 查看:7997
HMC659LC5是款GaAs MMIC PHEMT布置式熱效率圖像電壓圖像放大儀,使用符合的標準RoHS的標準的5x5 mm無引腳陶瓷廠家表貼封口,在DC到15 GHz的幀率區域內運作。該圖像電壓圖像放大儀供應19 dB增加收益控制、+35 dBm輸入IP3和+27.5 dBm輸入熱效率(1 dB增加收益控制文件壓縮),功能損耗為300mA(使用+8V交流電源)。
HMC659LC5在DC - 15 GHz區域內保證±0.7 dB的經驗豐富增加收益AA度,而使十分的時候EW、ECM、雷達探測和檢驗機 選用。HMC659LC5擴大器I/O內部結構切換50 Ω,需表面元器件。HMC659LC5與高體積表貼加工制造技巧兼容。
品牌
|
型號
|
描述
|
貨期
|
庫存
|
ADI
|
HMC659LC5
HMC659LC5TR
|
功率放大器,采用SMT封裝,DC - 15 GHz
|
現貨
|
173
|
HMC659LC5應用
-
電信基礎設施
-
微波無線電和VSAT
-
軍事和太空
-
測試儀器儀表
-
光纖產品
HMC659LC5優勢和特點
-
P1dB輸出功率:+27.5 dBm
-
增益:19 dB
-
輸出IP3:+35 dBm
-
電源電壓:+8V(300 mA時)
-
50 Ω匹配輸入/輸出
-
32引腳陶瓷5x5mm
SMT封裝:25mm2
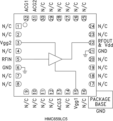
HMC659LC5結構圖
