HMC515LP5E/HMC515LP5ETR雙導電性氯化鈉晶體管 ADI微商代理期貨
頒布時間間隔:2019-01-23 09:49:37 搜素:2075
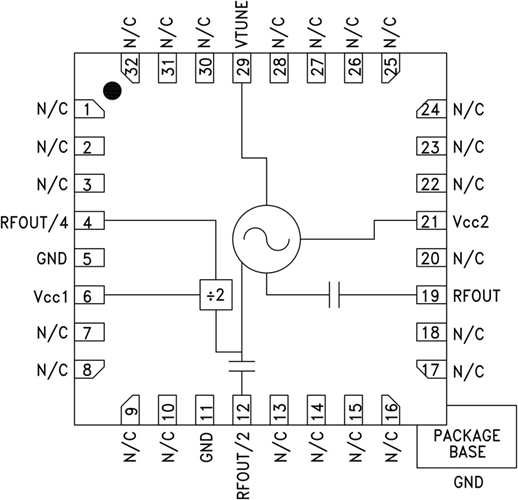
HMC515LP5E都是款GaAs InGaP異質結雙化學性質結晶管(HBT) MMIC VCO。 HMC515LP5(E)集為諧振器、負電阻器器材和變容電子元器件大家庭中的一員-二極管,可工作輸送的半頻,并作為6分頻工作輸送的。 主要是因為諧振器的單電子器件成分,VCO的相位躁音效能在的溫度、突破和制作工藝狀態下均十分優秀。 選用+5V開關電源直流工作電壓時,工作輸送的電功率為+10 dBm(主要表現值)。 但如果不需求,也可以禁止使用預分頻器技能以節約了工作電流。 該直流工作電壓操作諧振器選用無引腳QFN 5x5 mm表貼二極管封裝,免外觀適合元器件。
品牌
|
型號
|
貨期
|
ADI
|
HMC515LP5E
HMC515LP5ETR
|
1周
|
如若您需要購買HMC515LP5E/HMC515LP5ETR,請點擊右側客服聯系我們!!!
|
應用
-
VSAT無線電
-
點對點/多點無線電
-
測試設備和工業控制
優勢和特點
-
雙路輸出: Fo = 11.5 - 12.5 GHz
Fo/2 = 5.75 - 6.25 GHz
-
Pout: +10 dBm
-
相位噪聲: 典型值為-110 dBc/Hz(100 kHz)
-
無需外部諧振器
-
QFN無引腳SMT封裝,25 mm2
型式圖
