HMC487LP5E/HMC487LP5ETR所采用SMT打包封裝2瓦特熱效率變小器 ADI現貨交易
發布新聞日期:2018-06-25 15:48:33 預覽:2521
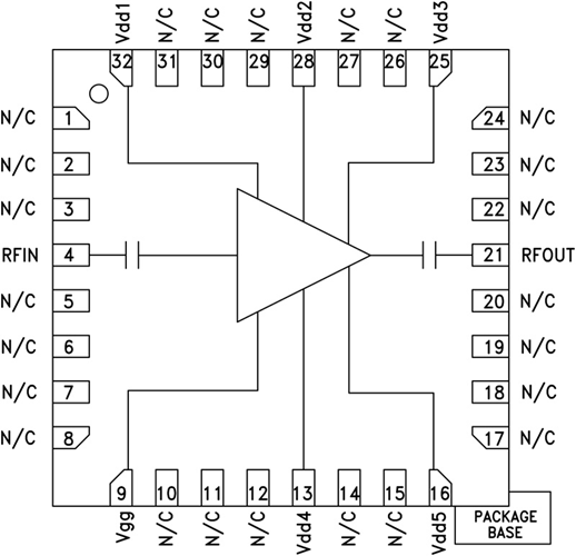
HMC487LP5(E)不是款高動態展示比率GaAs PHEMT MMIC 2瓦特輸出精度耗油率縮放器,應用無引腳5x5 mm界面貼裝裝封。 該縮放器在9至12 GHz的幀率下的工作,供應20 dB的增益值、+33 dBm的飽和輸出精度耗油率和20%的PAE,電源線電流為+7V。 輸出精度IP3為+36 dBm(典型示范值)。 RF I/O為隔直服務器端口,并配對至50Ω,適用方便快捷。 HMC487LP5(E)就不需要線焊,可以適用界面貼裝造成技術工藝。
品牌
|
型號
|
描述
|
貨期
|
庫存
|
ADI
|
HMC487LP5E
HMC487LP5ETR
|
2瓦特功率放大器,采用SMT封裝,9 - 12 GHz
|
現貨
|
223
|
HMC487LP5應用
-
點對點無線電
-
點對多點無線電
-
測試設備和傳感器
-
軍事最終用途
HMC487LP5優勢和特點
-
飽和功率: +33 dBm(PAE為20%時)
-
輸出IP3為+36 dBm
-
增益為20 dB
-
+7V、1300 mA電源
-
50 Ω匹配輸入/輸出
-
25 mm2無引腳SMT封裝
HMC487LP5結構圖
