HMC437MS8GE低的噪音靜止分頻器 原裝機期貨
公布準確時間:2019-02-18 10:22:56 查看:2185
HMC437MS8GE都是款低嘈音5分頻外部分頻器,便用InGaP GaAs HBT方法,適用低的成本8引腳表貼塑料材質封裝。 此配件在DC(便用方波放入)至7 GHz的放入頻繁下的工作,便用+5V DC單供電。 100 kHz偏置時的低加性SSB相位嘈音為-153 dBc/Hz,助于我們保護更好的系統化嘈音能力。
品牌
|
型號
|
貨期
|
庫存
|
ADI
|
HMC437MS8GE
|
1周
|
30
|
如果您需要購HMC437MS8GE,請點擊進入左邊售后連接小編!!!
HMC437MS8GE應用領域
-
UNII、點對點和VSAT無線電
-
802.11a和HiperLAN WLAN
-
光纖產品
HMC437MS8GE優勢和特點
-
SSB相位噪聲: -153 dBc/Hz(100KHz)
-
寬帶寬
-
輸出功率: -1 dBm
-
單直流電源: +5V (69 mA)
-
MS8G SMT封裝
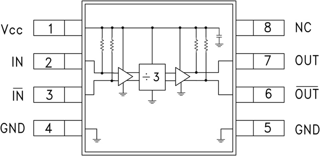
HMC437MS8GE結構圖

深圳市立維創展科技代理銷售ADI現貨產品,致力于為廣大客戶提供低價格、高質量、有保障的產品,提供優質的售前與售后服務技術。如您有任何產品需求以及服務請聯系我們客服人員,我們會再第一時間內為您解決問題。