AD7980ARMZ齒條參數準換器(ADC) 代理權期貨
分享時:2019-02-18 14:00:32 閱讀:1883
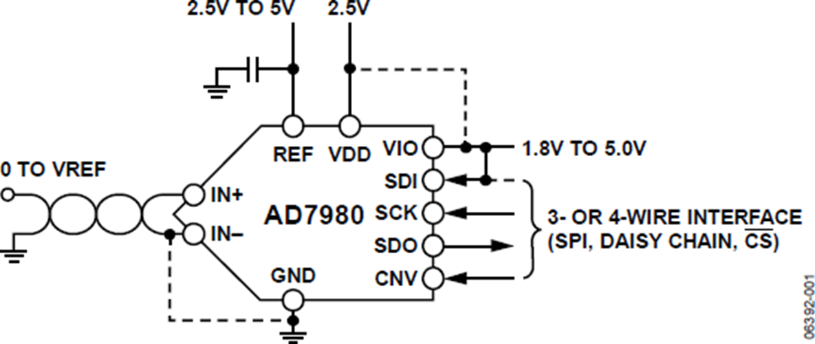
AD7980ARMZ也是款16位、逐次直逼型變位系數轉變成器(ADC),采取單交流電阻值(VDD)變電。它默認設置某個低輸出功率、高、16位監測ADC和某個多功能表串行接口協議串口。在CNV升沿,該元器件封裝對IN+與IN-之前的模擬訓練插入交流電阻值差去監測,范疇從0 V至REF。標準交流電阻值(REF)由內部展示 ,而且就可以自由于交流電阻值交流電阻值(VDD)。輸出功率和吞吐波特率呈規則化不同內在聯系。
SPI兼容串行數據接口還可應用SDI導入,將多個ADC以白菊花鏈主要形式相連到一次二線式數據總線上,并保證可以選擇的崩潰信號燈。采取獨特供電VIO時,它與1.8V、2.5V、3V和5V思維模式兼容。
AD7980ARMZ采取10引腳MSOP芯片打包封裝或10引腳QFN (LFCSP)芯片打包封裝,工作上溫差標準為?40°C至+125°C。
品牌
|
型號
|
貨期
|
庫存
|
ADI
|
AD7980ARMZ
|
1周
|
50
|
若是您是需要購AD7980ARMZ,請超鏈接左下人工服務鏈接各位!!!
AD7980ARMZ用
AD7980ARMZ優勢和特點
-
16位分辨率、無失碼
-
呑吐速率:1 MSPS
-
低功耗
4 mW(1 MSPS,僅VDD)
7 mW(1 MSPS,總功耗)
70 μW (10 kSPS)
-
INL:典型值±0.6 LSB,最大值±1.25 LSB
-
信納比(SINAD):91.25 dB(10 kHz時)
-
THD:-110 dB(10 kHz時)
-
欲了解更多特性,請參考數據手冊
AD7980ARMZ鼓勵防務和空航航空工業軟件(AQEC要求)
-
下載AD7980-EP數據手冊(pdf)
-
受控制造基線
-
唯一封裝/測試廠
-
唯一制造廠
-
增強型產品變更通知
-
認證數據可應要求提供
-
軍用溫度范圍(?55℃至+125℃)
-
V62/12640 DSCC圖紙號
AD7980ARMZ示意圖
