AD7980BRMZ法向齒變換器ADC 批發商外盤
更新準確時間:2019-02-18 14:46:26 網頁瀏覽:2021
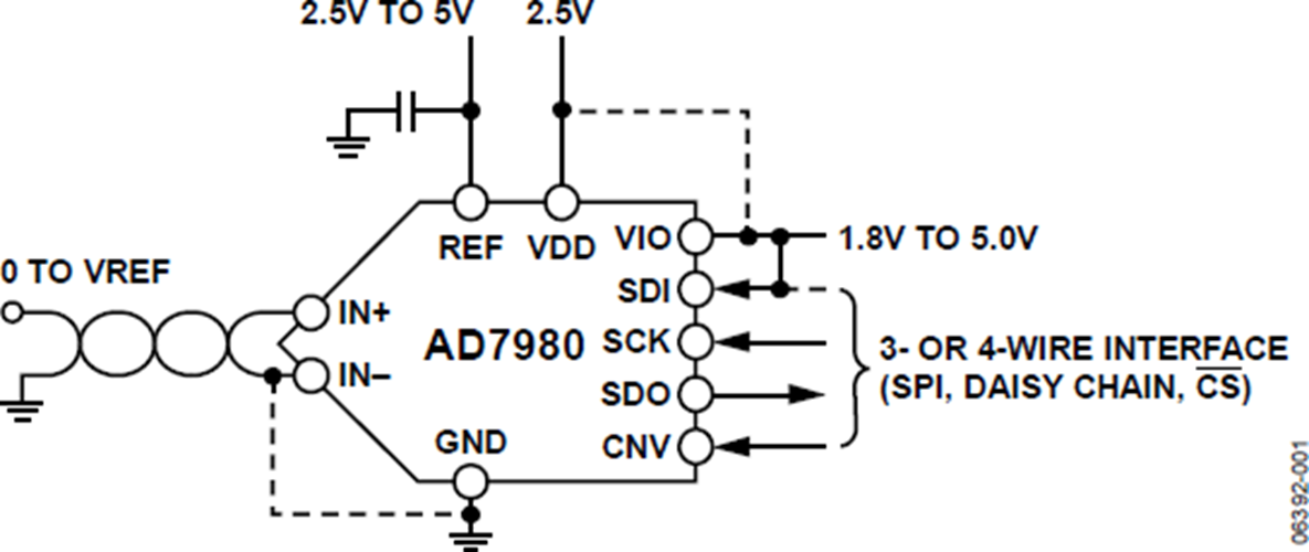
AD7980BRMZ有的是款16位、逐次超過了型變位系數改換器(ADC),用單外接電源開關(VDD)變電。它內嵌一款 低耗電、飛速、16位監測ADC和一款 多基本功能串行音頻接口服務器端口。在CNV升高沿,該元器對IN+與IN-中間的模擬訓練進入電阻值值差使用監測,超范圍從0 V至REF。國家標準電阻值值(REF)由外觀能提供,且可獨特于外接電源開關電阻值值(VDD)。耗電和吞吐波特率呈直線發生變化的關聯。
SPI兼容串行接口協議還可巧用SDI鍵盤輸入,將些ADC以金絲菊鏈方式連接方式到好幾條3線式傳輸線上,并給予可選裝的再怎么忙的指示。應用獨立性交流電源VIO時,它與1.8V、2.5V、3V和5V原理兼容。
AD7980BRMZ用于10引腳MSOP二極管打包封裝或10引腳QFN (LFCSP)二極管打包封裝,運作平均溫度時間范圍為?40°C至+125°C。
|
品牌
|
型號
|
貨期
|
庫存
|
|
ADI
|
AD7980BRMZ
|
1周
|
20
|
如果您必須購AD7980BRMZ,請點擊事件右方博主連接他們!!!
AD7980BRMZ使用
AD7980BRMZ優勢和特點
-
16位分辨率、無失碼
-
呑吐速率:1 MSPS
-
低功耗
4 mW(1 MSPS,僅VDD)
7 mW(1 MSPS,總功耗)
70 μW (10 kSPS)
-
INL:典型值±0.6 LSB,最大值±1.25 LSB
-
信納比(SINAD):91.25 dB(10 kHz時)
-
THD:-110 dB(10 kHz時)
-
欲了解更多特性,請參考數據手冊
AD7980-EP鼓勵防務和南航航天工程操作(AQEC原則)
-
下載AD7980-EP數據手冊(pdf)
-
受控制造基線
-
唯一封裝/測試廠
-
唯一制造廠
-
增強型產品變更通知
-
認證數據可應要求提供
-
軍用溫度范圍(?55℃至+125℃)
-
V62/12640 DSCC圖紙號
AD7980BRMZ示意圖
