HMC-AUH256通訊技術衛星通訊技術英語四級win7驅動擴大器 ADI外盤
發布消息日期:2019-02-20 15:38:45 網頁瀏覽:1815
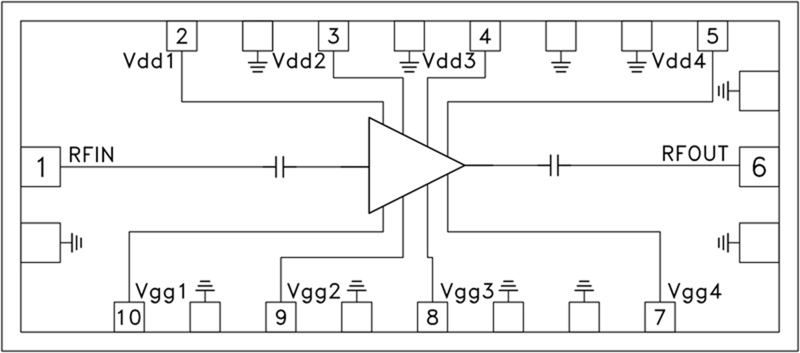
HMC-AUH256是一個款GaAs MMIC HEMT四個維度驅動包變大器,上班上率時間范圍17.5至41 GHz。 由長寬比較小(1.93 mm2),該處理器可輕松愉快整合到多處理器功能(MCM)中。 HMC-AUH256在1 dB壓解點帶來了21 dB的增益值和+20 dBm的內容輸出上班電壓,采用+5V的偏置交流電源(295 mA)。 HMC-AUH256還可以用作倍頻器。 完成倍頻器上班上的具體偏置具體條件。
|
品牌
|
型號
|
貨期
|
庫存
|
|
ADI
|
HMC-AUH256
|
1周
|
100
|
如果您需入手HMC-AUH256,請點擊量左面客戶聯絡我!!!
用
優勢和特點
-
增益: 21 dB
-
P1dB輸出功率: +20 dBm
-
寬帶性能:
17.5至41 GHz
-
電源電壓:
+5V (295 mA)
-
小尺寸芯片:
2.1 x 0.92 x 0.1 mm
示意圖
