HMC847LC5快速路4:1多路多路復用器 ADI現貨交易
分享時段:2019-02-20 16:15:19 查詢:1768
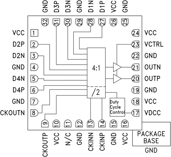
HMC847LC5是一個款4:1多路多路復用技術器,設計的用以45 Gbps大數據信息顯示串行app。 多路多路復用技術器在錄入鬧鐘的準換點鎖存兩個差分錄入。 該元器件操作半波特率鬧鐘的飆升沿和增漲沿來串行高速傳輸大數據信息顯示。 片內產生1/4波特率鬧鐘輸入的,與HMC847LC5的大數據信息顯示輸入的同步操作。
HMC847LC5的所以數字時鐘和的數據資料讀取/轉換均適用CML并實現片內50 Ω端接至VCC,可適用電流或溝通交流合體。 HMC847LC5的讀取和轉換可適用差分或單端分配操作。 HMC847LC5還融合兩個轉換電平管控引腳VCTRL,可于消耗賠償要求或數字信號電平網站優化。 VDCC引腳管控的數據資料轉換重疊點與占空比。 HMC847LC5適用+3.3V單24v電源變電,能提供非常符合ROHS要求的5x5 mm SMT打包封裝。
品牌
|
型號
|
貨期
|
庫存
|
ADI
|
HMC847LC5
|
1周
|
120
|
要是您必須要買HMC847LC5,請點擊事件左邊售后鏈接小編!!!
HMC847LC5選用
-
SONET OC-768
-
RF ATE應用
-
寬帶測試和測量
-
串行數據傳輸高達36 Gbps
-
高速DAC接口
HMC847LC5優勢和特點
-
支持高達36 Gbps的數據速率
-
半速率時鐘輸入
-
?速率參考時鐘輸出
-
快速上升和下降時間: 11/12 ps
-
可編程差分輸出電壓擺幅: 250 - 900 mVp-p
-
單電源: +3.3V
-
32引腳5x5mm SMT封裝: 25mm2
HMC847LC5示意圖
