HMC499LC4/HMC499LC4TR中等偏上耗油率調小器無引腳 ADI期貨
發布了耗時:2018-06-26 11:11:34 查詢:2173
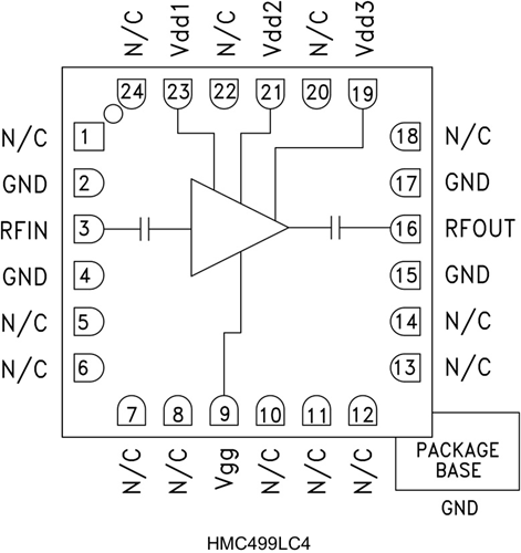
HMC499LC4也是款高最新領域GaAs PHEMT MMIC一般耗油率放小器,進行合乎RoHS的標準的無引腳“無鉛”SMT封裝。 該放小器體現了21至32 GHz的崗位領域,能提供16 dB增加收益、+24 dBm飽合耗油率和16% PAE(+5V電原相電壓)。 隔直RF I/O相配至50 Ω,選擇非常方便。 HMC499LC4不用辦理線焊,能夠 選擇表貼生產制造技木。
品牌
|
型號
|
描述
|
貨期
|
庫存
|
ADI
|
HMC499LC4
HMC499LC4TR
|
中等功率放大器,采用SMT封裝,21 - 32 GHz
|
現貨
|
215
|
應用軟件
-
點對點無線電
-
點對多點無線電和VSAT
-
測試設備和傳感器
的優勢和性能
-
輸出IP3: +34 dBm
-
飽和功率: +24 dBm (16% PAE)
-
增益: 16 dB
-
+5V(200 mA)電源
-
50 Ω匹配輸入/輸出
-
符合RoHS標準的4x4 mm SMT封裝
機構圖
