HMC565LC5低躁音調小器存儲芯片 ADI現貨交易
上線時光:2019-02-26 10:52:55 看:1760
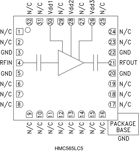
HMC565LC5是一種款高動態數據面積GaAs PHEMT MMIC低嗓聲擴大器,利用合適RoHS細則的無引腳5x5mm SMT封口。 HMC565LC5事業的頻率面積為6至20 GHz,在全事業頻段內兼有21 dB小訊號增益值、2.5 dB嗓聲公式和+20 dBm打出IP3。 因為利用+3V24v電源配電和隔直RF I/O,該自偏置LNA比較比較適合微波通信有線電軟件應用。
|
品牌
|
型號
|
貨期
|
庫存
|
|
ADI
|
HMC565LC5
|
1周
|
100
|
要是您可以進貨HMC565LC5,請打開左側克服認識小編!!!
應用
-
點對點無線電
-
點對多點無線電和VSAT
-
測試設備和傳感器
-
軍事和太空
優勢和特征
-
噪聲系數: 2.5 dB
-
增益: 21 dB
-
OIP3: 20 dBm
-
單電源: +3V (53 mA)
-
50 Ω匹配輸入/輸出
-
符合RoHS標準的5x5 mm封裝
示意圖

深圳市立維創展科技代理銷售ADI現貨產品,致力于為廣大客戶提供低價格、高質量、有保障的產品,提供優質的售前與售后服務技術。如您有任何產品需求以及服務請聯系我們客服人員,我們會再第一時間內為您解決問題。