HMC447LC3低背景噪聲四分頻恢復分頻器 現貨平臺
發部時間:2019-02-26 14:07:37 搜素:1720
HMC447LC3就是一款低噪音四分頻再生利用分頻器,采用了InGaP GaAs HBT技術標準。 這件移動寬帶分頻器的運作放入頻率為10到26 GHz,可連受極寬的范圍的放入熱效率標準。 HMC447LC3享有-150 dBc/Hz的更加低SSB相位噪音(100 kHz偏置時),更加符合在中頻鎖相環(PLL)中采用,還有的體統中要求基波和分頻LO頻率的本振(LO)配置技術應用。
這輛特點逐步的分頻器操作一個+5V正主機電源,顯卡功耗僅為96 mA,在載荷系數傳輸速率生活條件下提拱更加平緩的輸出電壓效率。 HMC447LC3采用了復合RoHS條件的3x3 mm的無引腳SMT封裝,擁有裸露出的的接地焊盤。
|
品牌
|
型號
|
貨期
|
庫存
|
|
ADI
|
HMC447LC3
|
1周
|
100
|
如果您需求采購HMC447LC3,請鼠標點擊右邊客戶服務熱線連續公司!!!
HMC447LC3應用
-
點對點/多點無線電
-
VSAT無線電
-
光纖產品
-
測試設備
HMC447LC3優勢和特征
-
很寬的帶寬
-
超低SSB相位噪聲: -150 dBc/Hz
-
輸出功率: -4 dBm
-
單直流電源: +5V
-
符合RoHS標準的3x3 mm SMT封裝
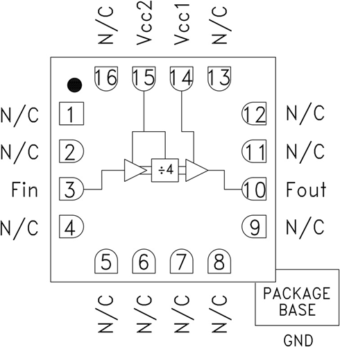
HMC447LC3示意圖

深圳市立維創展科技代理銷售ADI現貨產品,致力于為廣大客戶提供低價格、高質量、有保障的產品,提供優質的售前與售后服務技術。如您有任何產品需求以及服務請聯系我們客服人員,我們會再第一時間內為您解決問題。