HMC394LP4低燥聲GaAs HBT可c語言編程5位計數器器 外盤
發表的時間:2019-02-26 17:20:32 訪問:1781
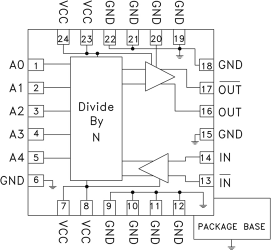
HMC394LP4(E)有的是款低的噪音GaAs HBT可和程序編寫5位計數法法器,用于4x4 mm無鉛界面貼裝封口。 在鍵盤輸入平率高達模型2.2 GHz時,該元器可在N為2至32條件來維持分頻。 輸出精度輸出功率擺幅為800 mV,占空比與N關系不大。100 kHz功能紊亂時,該計數法法器的加性SSB相位的噪音低至?153 dBc/Hz,尤其比較合適低的噪音平率制成器選用。
|
品牌
|
型號
|
貨期
|
庫存
|
|
ADI
|
HMC394LP4
|
1周
|
90
|
若是您是需要選擇HMC394LP4,請點擊事件一側人工客服鏈接企業!!!
應用
優勢和特征
-
SSB相位噪聲: -153 dBc/Hz(100 kHz)
-
可選分頻:2至32
-
并行5位控制
-
寬輸入功率范圍: -20至+10 dBm
-
4x4 mm無鉛SMT封裝
示意圖

深圳市立維創展科技代理銷售ADI現貨產品,致力于為廣大客戶提供低價格、高質量、有保障的產品,提供優質的售前與售后服務技術。如您有任何產品需求以及服務請聯系我們客服人員,我們會再第一時間內為您解決問題。