HMC461LP3E雙入口通道MMIC調小器 1w高IP3調小器 ADI期貨
發部日子:2018-06-26 11:49:49 打開網頁:1953
HMC461LP3(E)一款1.7 - 2.2 GHz高打印輸出IP3 GaAs InGaP異質結雙正負單晶體管(HBT)雙清算通道MMIC調大器。 它在一個集成式控制電路原理中,出示5個HMC455LP3高IP3控制器的非線性功效,可在穩定失衡或推挽調大器控制電路原理中系統配資。 該調大器出示12 dB的增益值和+30.5 dBm的達到飽和狀態功效(當PAE為48%時),選用+5 Vdc單電原,與此同時使用的穩定失衡系統配資的第三方巴倫。
隨著還具有+45 dBm的高輸出IP3,再通過1.2:1的低VSWR,但是HMC461LP3(E)被選為非常適合PCS/3G無限前提配套設施的理想化驅動軟件增加器。 雙MMIC增加器集成型控制電路采用了低投入的無引腳3x3 mm QFN接觸面貼裝芯片封裝(LP3)。 LP3作為爆露基極以構建卓越的RF和熱量散發性。
品牌
|
型號
|
描述
|
貨期
|
庫存
|
ADI
|
HMC461LP3
|
1瓦特高IP3放大器,采用SMT封裝,1.7 - 2.2 GHz
|
現貨
|
278
|
HMC461LP3應用
-
多載波系統
-
GSM、GPRS和EDGE
-
CDMA和W-CDMA
-
PHS
-
可配置平衡或推挽
HMC461LP3優勢和特點
-
+45 dBm輸出IP3(平衡配置)
-
增益:12 dB
-
PAE為48%(Pout為+30.5 dBm時)
-
+20 dBm的W-CDMA通道功率(ACP為-45 dBc時)
-
3x3 mm QFN SMT封裝
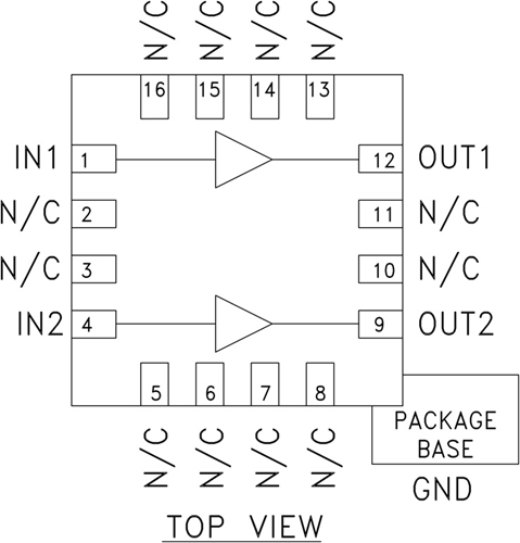
HMC461LP3結構圖
