HMC408LP3E/HMC408LP3ETR更高質量熱效率圖像運放電路5.1 - 5.9 GHz ADI現貨交易
發布的日子:2018-06-26 13:39:38 瀏覽器:7338
HMC408LP3(E)有的是款5.1 - 5.9 GHz高效、性價比最高率GaAs InGaP異質結雙正負極單晶體管(HBT)熱效率圖像擴大儀MMIC,提拱+30 dBm P1dB。 該圖像擴大儀提拱20 dB增益掌握,飽和點熱效率為+32.5 dBm,電源模塊電壓降為+5V (27% PAE)。 顯示組織結構識別至50 Ohms,轉換需稀少的外面零件。 Vpd用于于全省點模型或RF轉換熱效率/工作電流掌握。 該圖像擴大儀利用低費用、3x3 mm無鉛表面層貼裝二極管封裝,具有漏出地座以減少RF和水冷散熱能。
品牌
|
型號
|
描述
|
貨期
|
庫存
|
ADI
|
HMC408LP3E
HMC408LP3ETR
|
1 W功率放大器SMT,5.1 - 5.9 GHz
|
現貨
|
275
|
HMC408LP3應用
-
802.11a & HiperLAN WLAN
-
UNII和點對點/多點無線電
HMC408LP3優勢和特點
-
增益: 20 dB
-
飽和功率: +32.5 dBm (27% PAE)
-
單電源電壓: +5V
-
省電功能
-
3x3 mm無鉛SMT封裝
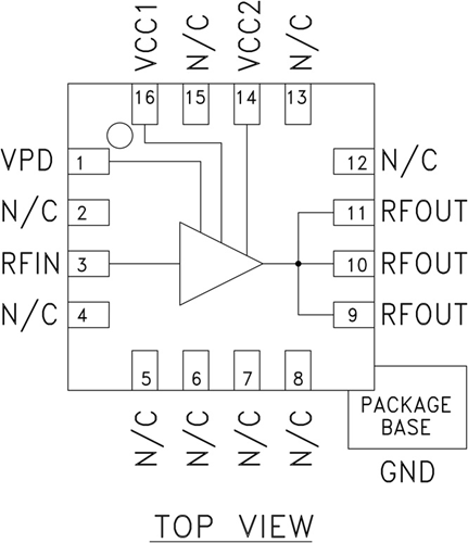
HMC408LP3結構圖
