HMC-APH596/HMC-APH596-SX兩極GaAs HEMT MMIC中檔功效調大器 ADI現貨黃金
推出時間段:2018-06-29 11:18:34 瀏覽訪問:1834
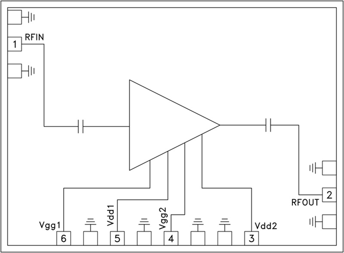
HMC-APH596都是款多級GaAs HEMT MMIC中低檔工做電機功率調大器,工做規律領域為16至33 GHz。 HMC-APH596供給17 dB增益值,所采用+5V電源適配器電壓值時兼具+24 dBm打印輸出工做電機功率(1 dB壓縮成)。 擁有焊盤和電子器件反面都根據Ti/Au彩石化,調大器已徹底鈍化以完成可靠的運作。
HMCAPH596 GaAs HEMT MMIC適中工作功率縮放器兼容常用的集成塊貼裝手段,還有熱壓縮成和熱超聲檢查線焊接藝,如此適用MCM和混合型喂養微集成運放應用領域。 彼處體現 的其它數據顯示均是集成塊在50 Ω自然環境下應用RF感應器交往得出。
品牌
|
型號
|
描述
|
貨期
|
庫存
|
ADI
|
HMC-APH596
HMC-APH596-SX
|
MMIC中等功率放大器,16至33 GHz
|
現貨
|
323
|
應用領域
HMC-APH596優勢和特點
-
輸出IP3: +33 dBm
-
P1dB: +24 dBm
-
增益: 17 dB
-
電源電壓: +5V
-
50 Ω匹配輸入/輸出
-
裸片尺寸:
2.55 x 1.87 x 0.1 mm
HMC-APH596結構圖
