HMC498LC4/HMC498LC4TR高各式各樣區間功效放縮器 ADI現貨黃金
正式發布時刻:2018-06-29 13:47:59 手機瀏覽:2308
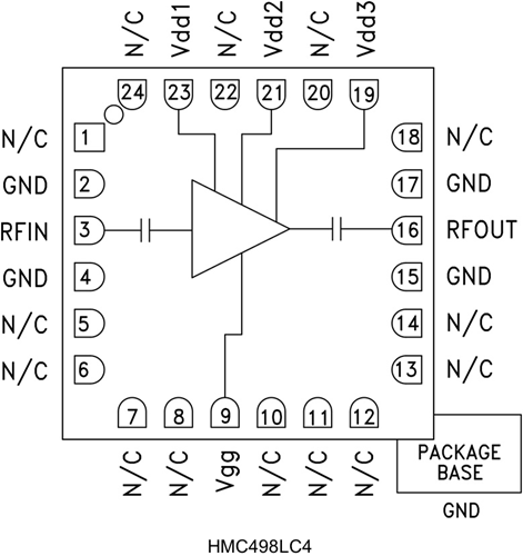
HMC498LC4是款高動向范疇GaAs PHEMT MMIC中級額定效率拖動器,用于無引腳“無鉛”SMT裝封。 該拖動器具有著17至24 GHz的業務范疇,提拱22 dB增益值、+26 dBm飽和點額定效率和23% PAE(+5V電原額定電壓)。 HMC498LC4燥聲污染數值為4 dB,打出IP3為+36 dBm(明顯值),能夠用作低燥聲污染最前端或控制拖動器。 隔直RF I/O一致至50 Ω,在操作有利。 HMC498LC4不用線焊,可能在操作表貼生產加工技能。
品牌
|
型號
|
描述
|
貨期
|
庫存
|
ADI
|
HMC498LC4
HMC498LC4TR
|
中等功率放大器,采用SMT封裝,17 - 24 GHz
|
現貨
|
269
|
HMC498LC4app
-
點對點無線電
-
點對多點無線電和VSAT
-
測試設備和傳感器
-
軍用最終用途
HMC498LC4優勢和特點
-
輸出IP3: +36 dBm
-
飽和功率: +26 dBm (23% PAE)
-
增益: 22 dB
-
+5V(250 mA)電源
-
50 Ω匹配輸入/輸出
-
符合RoHS標準的4x4 mm SMT封裝
HMC498LC4結構圖
