HMC1063LP3E/HMC1063LP3ETR緊促型I/Q MMIC混頻器 ADI外盤
發布消息時長:2018-07-02 14:41:15 瀏覽記錄:1899
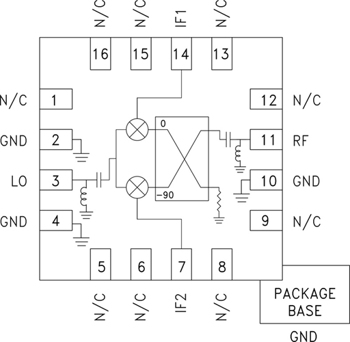
HMC1063LP3E是一種款省油的suv型I/Q MMIC混頻器,運用“無鉛”SMT封裝形式,要用作iso鏡像系統限制混頻器或單向帶著去調頻柜器。 該混頻器運用兩標Hittite雙平穩混頻器象限和一款 180度混后型電子電子元元器件,均運用GaAs Schottky電子元電子元元器件大家庭中的一員-二極管生產技術研發。 高頻正交混后型電子電子元元器件適用引發1,000 MHz LSB IF輸入輸出。 該設備為混后型型iso鏡像系統限制混頻器和單向帶著去調頻柜器零部件的中大型代替品電子電子元元器件。 HMC1063LP3E不用再線焊,能否應用表貼研發技術。
品牌
|
型號
|
描述
|
貨期
|
庫存
|
ADI
|
HMC1063LP3E
HMC1063LP3ET
|
GaAs MMIC I/Q混頻器,24 - 28 GHz
|
現貨
|
259
|
HMC1063LP3E應用
-
點對點和點對多點無線電
-
軍用雷達、EW和ELINT
-
衛星通信
-
傳感器
HMC1063LP3E優勢和特點
-
低LO功率: 10 dBm
-
寬IF帶寬: DC - 3 GHz
-
鏡像抑制: 21 dBc
-
LO/RF隔離: 40 dB
-
高輸入IP3: 17 dBm
-
16引腳3x3 mm SMT封裝: 9 mm2
HMC1063LP3E結構圖
