HMC1113LP5E/HMC1113LP5ETR表貼芯片封裝密集型下直流三菱變頻器 ADI現貨平臺
發布的耗時:2018-07-03 10:16:58 觀看:2468
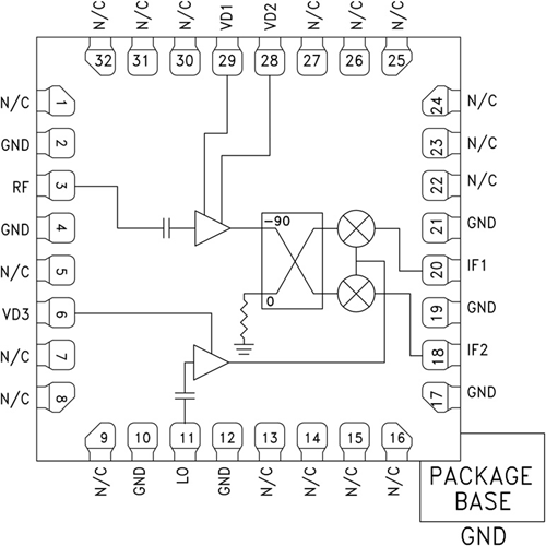
HMC1113LP5E有的是款省油的suv型GaAs MMIC I/Q下變頻器,選用無鉛5 x 5 mm低承載力注塑加工朔料表貼封口。 該元器帶來了12 dB的小警報變為收獲、1.8 dB的燥音指數公式和25 dBc的系統鏡象系統限制穩定性。 HMC1113LP5E選用LNA,后接由LO緩沖區器調小器能夠的系統鏡象系統限制混頻器。 該系統鏡象系統限制混頻器因此LNA以后不可應用濾波器,并可除掉系統鏡象系統速率下的熱燥音。 它體現了I/Q混頻器效果,所要第三方90°分層物型元器用來選定 所要邊帶。 HMC1113LP5E為分層物型系統鏡象系統限制混頻器下變頻器配件的家庭型代替品元器,它不可線焊,就能夠應用表貼研發系統。
品牌
|
型號
|
描述
|
貨期
|
庫存
|
ADI
|
HMC1113LP5E
HMC1113LP5ETR
|
GaAs MMIC I/Q下變頻器,10 - 16 GHz
|
現貨
|
257
|
HMC1113LP5E應該用
-
點對點和點對多點無線電
-
軍用雷達、EW和ELINT
-
衛星通信
HMC1113LP5E優勢和特點
-
切換增加收益:12 dB
-
映射促使:25 dBc
-
LO至RF防護:45 dB
-
的噪音彈性系數:1.8 dB
-
IP3:1 dBm
-
32引腳5 x 5 mm SMT裝封
HMC1113LP5E結構圖
