HMC904LC5/HMC904LC5TR手機無線電下交流變頻調速器 ADI期貨地區銷售商
發布新聞周期:2018-07-03 13:45:37 搜素:2395
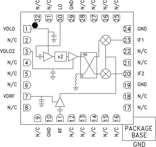
HMC904LC5都是款緊密型GaAs MMIC I/Q下定頻器,選擇按照RoHS規則的無引腳SMT打包封裝。 該電子器件帶來了12 dB的小信號燈轉變增加收益、3 dB的嗓聲比率,并在頻段領域內帶來了30 dB的系統系統鏡像減緩的性能。 HMC904LC5選擇LNA,后接由有源x2倍頻器安裝驅動的系統系統鏡像減緩混頻器。
該iso系統鏡像軟件調控性混頻器導致LNA以來就不需要用濾波器,并可解除iso系統鏡像軟件頻繁 下的熱燥聲。 它具備I和Q混頻器內容輸出,必備外鏈90°攪拌型電子元件應用于選必備邊帶。 HMC904LC5是攪拌型iso系統鏡像軟件調控性混頻器下直流變頻空調器應用程序的中大型代替品電子元件,兼容表貼開發技術。
品牌
|
型號
|
描述
|
貨期
|
庫存
|
ADI
|
HMC904LC5
HMC904LC5TR
|
GaAs MMIC I/Q下變頻器,17 - 24 GHz
|
現貨
|
105
|
使用
-
一對一和點對多點兒無線網絡電
-
軍用裝備預警雷達、EW和ELINT
HMC904LC5優勢和特點
-
轉換增益: 12 dB
-
鏡像抑制: 30 dB
-
2 LO至RF隔離: 45 dB
-
噪聲系數: 3 dB
-
輸入IP3: 0 dBm
-
32引腳5x5mm SMT封裝: 25mm2
HMC904LC5結構圖
