HMC611LP4/HMC611LP4E馬力監控視頻對數計算檢波器 ADI代現貨交易
發布的日期:2018-07-09 13:57:07 挑選:7290
HMC611LP4(E)常用對數計算檢波器/調控器將工作輸出端RF數據轉移為工作輸出端不成比例的DC電流值。HMC611LP4(E)根據不斷不斷解壓縮拓補結構的,展示 寬工作輸出的頻率的空間內的很高動圖的空間和轉移控制精度。時間推移工作輸出效率添加,不斷不斷調大器急劇打開過飽和,而生產小于的常用對數計算涵數相似度高值。
若您有其余疑義,請聯絡各位立維創展,各位會盡主要埋頭苦干為您提供服務保障。
一系類㎡律檢波器導出求和、轉變成成交流的電壓域并緩存驅使LOGOUT導出。在在線檢測經營機制下,LOGOUT引腳擊穿到VSET讀取并作為-25mV/dB的標稱多數斜率和18 dBm的截距(22 dBm,? ≥ 5.8 GHz)。HMC611LP4(E)也可在掌握器經營機制下便用,向VSET引腳施加壓力表面交流的電壓以添加AGC或APC信息反饋環路。
品牌
|
型號
|
描述
|
貨期
|
庫存
|
ADI
|
HMC611LP4
HMC611LP4E
|
對數檢波器控制器,采用SMT封裝,0.001 - 10.0 GHz
|
現貨
|
151
|
HMC611LP4選用
-
蜂窩/PCS/3G
-
WiMAX、WiBro、WLAN、
固定無線和雷達
-
功率監控和控制電路
-
接收機信號強度指示(RSSI)
-
自動增益和功率控制
HMC611LP4優勢和特點
-
寬動態范圍:高達63 dB
-
高精度:±1 dB
54 dB范圍高達8 GHz
-
電源電壓:+5V
-
出色的溫度穩定性
-
緩沖溫度傳感器輸出
-
緊湊型4x4mm無引腳SMT封裝
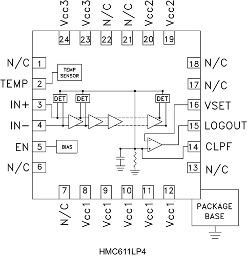
HMC611LP4結構圖
