HMC547ALC3/HMC547ALC3TR加強型型聯通寬帶高防護隔離SPDT旋轉開關 ADI期貨
分享時:2018-07-10 13:58:18 搜索:7436
HMC547ALC3是一個款互通型光纖移動寬帶高隔絕非反射強度GaAs MESFET SPDT旋轉有效控制啟閉,采取3x3 mm無引腳陶瓷制品表貼封口。該旋轉有效控制啟閉頻率面積為DC至28.0 GHz,在中頻段時享有優于40 dB的隔絕度和不大于2 dB的嵌入消耗的資金。光纖移動寬帶寬、怏速旋轉有效控制啟閉和緊密型尺寸圖使代謝式SPDT適用于軍工EW/ECM和公測機械設備APP。該旋轉有效控制啟閉采取-5/0V的相輔相成負有效控制電流方法高壓線路本職工作,不可偏置24v電源。若您有一切困惑,請聯絡我立維創展,我會盡較大 付出為您安全服務。
品牌
|
型號
|
描述
|
貨期
|
庫存
|
ADI
|
HMC547ALC3
HMC547ALC3TR
|
GaAs MMIC SPDT非反射式開關,DC - 28.0 GHz
|
現貨
|
233
|
HMC547ALC3用
-
光纖和寬帶通信
-
微波無線電和VSAT
-
軍用無線電、雷達和ECM
-
測試儀器儀表
HMC547ALC3優勢和特點
-
高隔離度:
45 dB (10 GHz)
39 dB (20 GHz)
-
低插入損耗:
1.9 dB (10 GHz)
2.2 dB (20 GHz)
-
快速開關:6 ns
-
非反射設計
-
16引腳3x3 mm SMT陶瓷封裝:9mm2
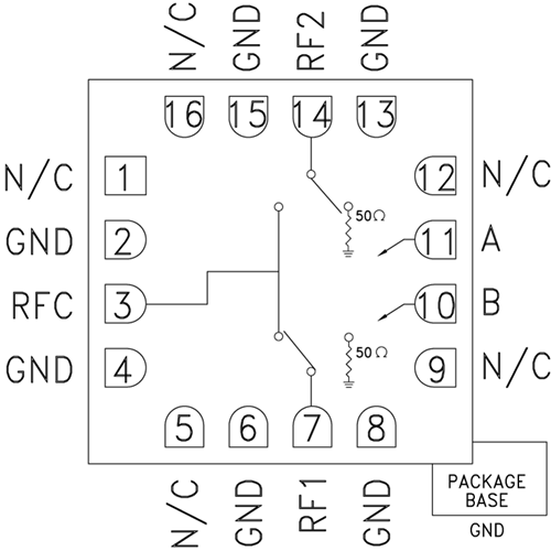
HMC547ALC3結構圖
