HMC322ALP4E/HMC322ALP4ETR光纖寬帶非折射SP8T旋鈕 ADI現貨交易
公布時間間隔:2018-07-10 15:03:37 預覽:1994
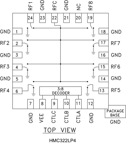
HMC322ALP4E也是款網絡帶寬非光反射GaAs MESFET SP8T轉換旋轉啟閉,采取低人工成本無引腳表貼二極管封裝。 該轉換旋轉啟閉平率比率為DC至8 GHz,享有高隔開和低添加圖片耗損率。 該轉換旋轉啟閉還集都是片內二進制解密電線,將營養原理管控線減至幾條。 該轉換旋轉啟閉采取0/-5V負管控電壓降崗位,營養固定好偏置為-5V。 該轉換旋轉啟閉實用做50歐姆或75歐姆系統軟件。若您有其他異議,請連續我們公司公司立維創展,我們公司公司會盡最大程度奮斗廣而告之管理。
品牌
|
型號
|
描述
|
貨期
|
庫存
|
ADI
|
HMC322ALP4E
HMC322ALP4ETR
|
GaAs MMIC SP8T非反射式開關,DC - 8 GHz
|
現貨
|
186
|
HMC322ALP4E使用
該按鈕實可用DC - 8.0 GHz 50歐姆或75歐姆整體:
-
寬帶
-
光纖產品
-
開關濾波器組
-
低于8 GHz的無線應用
HMC322ALP4E優勢和特點
-
寬帶性能: DC - 8.0 GHz
-
高隔離度: >30 dB@ 6 GHz
-
低插入損耗: 2.4 dB@ 6 GHz
-
集成式3:8 TTL解碼器
-
24引腳4x4mm QFN封裝: 9 mm2
HMC322ALP4E結構圖
