ADMV7710-SX/ADMV7710CHIPS集成化系統式 E 頻段砷化鎵 (GaAs)微波射頻片式集成化系統電路原理 ADI現貨交易
分享事件:2018-06-05 15:46:08 查詢:7791
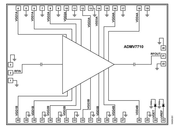
ADMV7710-SX/ADMV7710CHIPS 是款結合式 E 頻段砷化鎵 (GaAs) 贗晶高光學移遷率移轉 (pHEMT)、微波加熱單支結合控制電路 (MMIC)、中上電機功效增加器,還具有片內濕度補償金電機功效查重器,的崗位頻繁 區間為 71 GHz 到 76 GHz。ADMV7710 可在 4 V 供電能出具 24 dB 的收獲、28 dBm 的轉換(1 dB 壓縮的)以其 29 dBm 的過飽和轉換電機功效(20% 電機功效浮動的效率)。ADMV7710 凸顯了非凡的規則化度,另外采取了使用性能軟件優化,無比合適 E 頻段安全可靠和高數量手機無線wifi返程手機無線wifi電軟件。根據增加器運行環境和高收獲,該元器作為定向天線以往的第三特級警報增加的非常完美選。各種數據分析均由不同網絡端口兩個根 3 mil 寬 × 0.5 mil 厚 × 7 mil 長的鍵合帶接連的處理器(設在 50 Ω 考試固件內)采取提取。ADMV7710 以 40 焊盤裸片(處理器)的狀態能出具,可在 ?55°C 到 +85°C 的濕度區間內的崗位。
品牌
|
型號
|
描述
|
貨期
|
庫存
|
ADI
|
ADMV7710-SX/ADMV7710CHIPS
|
具有功率檢測器的 71 GHz 到 76 GHz、1 W E 頻段功率放大器
|
現貨
|
56
|
ADMV7710-SX/ADMV7710CHIPS 應用領域
-
E 頻段通信系統
-
高容量無線回程無線電系統
-
測試和測量
ADMV7710-SX/ADMV7710CHIPS 結構圖

ADMV7710-SX/ADMV7710CHIPS 優勢和特點
-
增益:24 dB(典型值)
-
1 dB 壓縮的輸出功率:28 dBm(典型值)
-
飽和輸出功率:29 dBm(典型值)
-
輸出 3 階交調點:34 dBm(典型值)
-
輸入回波損耗:18 dB(典型值)
-
輸出回波損耗:10 dB(典型值)
-
直流電源:4 V,800 mA
-
無需外部匹配
-
裸片尺寸:2.999 mm × 3.999 mm × 0.05 mm