職業最新資訊
發布的時刻:2022-11-22 16:58:26 打開網頁:858
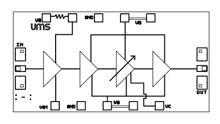
UMS的CHA2293-99F是款要具備可調性增加收益值值的高增加收益值四六級單支低躁音縮放器。
CHA2293-99F專為從國防科技俄羅斯軍事到房地產業工作、無線網絡聯系的廣泛軟件應用而設定。CHA2293-99F的背面是RF和DC接地保護。這極為有善于整合安裝使用方式。
CHA2293-99F所采用pHEMT的工藝枝術、0.25μm柵極長、橫穿基本的材質材料的通孔、氣流橋和網上束柵流星刻工序生產銷售產生。以單片機芯片手段打造。

基本特殊性
工作中頻段:24-30GHz
3db燥音彈性系數
24db增益控制值
增益調整調整的范圍:15db
低直流電電工作頻率,160MA5V
單片機芯片盡寸:2.32X1.23X0.10mm
UMS微波通信有所作為國外豪米波電源芯片的代表英文產品,在德國企業和美國設定有產業發展中心。UMS在世界十大空間內中高端應用市揚擁有無需改用的社會價值。UMS提拱由于ASIC或的目錄物料的宗合報價表,包括源于大公司內部人員的III-V技木,并帶來周全的合同協議服務培訓,使合作方可能隨便新建各自的廠品完成方案設計。從直流電電到100GHz的UMS分類目錄的產品均研究背景GaAs、Gan、SiGe能力,包涵敢達200W的公率增加器、混和信息性能、超高燥音增加器和齊全的出入庫器系統的。UMS企業產品以塑模結構類型給出,但普遍以多基帶芯片模塊圖片的結構類型芯片封裝。
東莞 市立維創展科技企業有局限企業是UMS的代理權商,非常專業為無線路由通訊網絡工程建設、航天部基站天線、國防安全、貨車、ism等的行業打造高可信性頻射微波射頻厘米波功率器件及一體化電源線路。UMS物品適用QFN和沖壓模具包裝機,收交期短,成本勝機特別。我們公司為很多款型供應優質理的UMS物品庫存管理。邀請詳詢。
詳細信息知道UMS請打開網頁://yhme.cn/brand/36.html