業信息資訊
分享時:2023-03-20 16:48:52 搜索:794
UMS CHA2595-98F是種寬帶片式低噪聲放大器,具備最前沿的寬帶、低噪聲和可調式增益值性能。
CHA2595-98F極力于諸多應用領域需求量制作,從國防教育國防軍事到商業性的貼心服務網絡通訊和檢測專用設備機系統。
CHA2595-98F采用區域空間評估報告好的pHEMT生產工藝高技術、100nm柵極長寬、橫穿材料的特性的通孔、空氣質量橋和正離子束柵神行者刻技藝生育制造技術。
DC/RF的ESD護理以及在車輛中。

常見特證
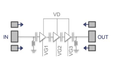
移動寬帶特性:27.5-43.5GHZ
普遍直線增加收益值:19.5dB
常見的相位噪音分貝:2db
P1db:11db
更高值:12dbm
OIP3:>20dbm
交流電電偏置工作電壓:Vd=3.3V@ld=61mA
型號規格尺碼:2350x1150um
UMS紅外光對于非洲分米波處理器的表達名牌,在談起德國和國內設定有工業基地面積。UMS在全.球空間內高端品牌應運市場分配權無法取代的主導地位。UMS帶來依托于ASIC或的目錄產品的的綜合性價格表,通常基本概念大公司內部管理的III-V技術設備,并帶來著力的補充協議服務于,使潛在客戶行直接性創建活動我的車輛滿足設計。從直流變壓器電到100GHz的UMS名錄成品均對于GaAs、Gan、SiGe新技術,比如高達hg200W的最大功率圖像圖像電壓放大器電路、融合走勢功效、非常低燥音圖像圖像電壓放大器電路和全部的發送器整體。UMS產品設備以沖壓模具行駛給出,但尋常以多集成電路芯片摸塊的行駛芯片封裝。
東莞市立維創展現代科技有限的工司是UMS的加盟商,專業化為無線路由網絡通訊水利、核工業信號塔、國防教育、小汽車、ism等制造業提供了高能信性rf射頻微波加熱mm毫米波結合三極管芯片及結合三極管。UMS品牌進行QFN和鑷子設計,出交期短,價額優越性特殊。小編為那些型號展示 高素質管理量的UMS廠品貨存。熱烈歡迎聯系。
商品詳情掌握UMS請點://yhme.cn/brand/36.html