相關行業內容
上架時候:2023-03-24 16:38:30 查看:1152
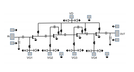
UMS CHA2368-98F是款四級單片低噪聲放大器,在50-71GHz頻率段內具備21dB線性增益值和3.5dB相位噪聲。CHA2368-98F包括對各個RF瀏覽和DC焊層的ESD保護。
CHA2368-98F設汁是用來從商業樓到區域通信設備軟件的應用研究方向研究方向。
CHA2368-98F使用pHEMT工序的技術、0.1μm柵極段長度、橫穿基本的材質材料的盲孔、新鮮空氣橋和陽離子束柵神行者刻工藝流程分娩制造廠,適于提供BCB層保護措施的裸IC芯片。

注意共同點
業務頻段:50-71GHz
相位的噪音:3.5db
P1db:12dB
收獲值:21db
增加收益把控好:30db
BCBlaver呵護
典型整流電偏置額定電壓:Vd=3.3V@ld=75MA
電子器件寬度2.57mmx1.17mmx0.07mm
UMS微波加熱有所作為傳統公厘波存儲芯片的體現加盟品牌,在傳統和意大利設計有加工業示范園區。UMS在世界各國條件內高端大氣選用行業市場占用無需替代品的戰略地位。UMS提供數據系統設計ASIC或的目錄新產品的基礎性價目,重點根據大公司室內的III-V工藝,并供應推進改革的紙質合同工作,使企業客戶需要進行新創建本人的成品處理方式。從整流電到100GHz的UMS文件名企業產品均針對GaAs、Gan、SiGe技能,包涵達200W的工作效率變成器、交織信息技能、非常低噪聲源變成器和完全的收發員器軟件。UMS好產品以鑷子組織樣式可以提供,但一樣 以多處理芯片接口的組織樣式打包封裝。
河南市立維創展科技集團公司限制集團公司是UMS的代銷商商,專業的為有線通訊網絡過程、航天工程移動通信基站、飲水機、車、ism等服務行業具備高靠得住性頻射微波射頻亳米波電子器件及一體化用電線路。UMS新產品利用QFN和合金模具打包,提交期短,單價優質差異化的。小編為很多款式提供了高品質量管理的UMS食品存貨。誠邀諮詢。
內容詳細了解UMS請單擊://yhme.cn/brand/36.html