BXMP1012低躁音微波射頻縮放器API Tech
上傳期限:2024-05-08 08:52:00 閱讀:704

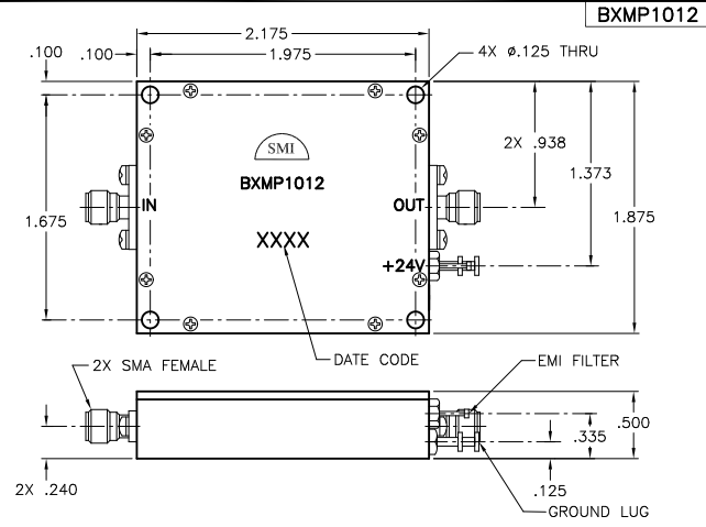
BXMP1012低的噪音擴大器是款專為需低的噪音、高曲線度和高輸送電功率的運用而制定的擴大器。它具如下關鍵性能和優質: 1. 低噪音風機源常數:主要表現指標值3.7 dB,很大指標值4.0 dB,支持于必須高信噪比的app情景。 2. 高中階剪斷點:一般值>+49 dBm,以確保在正視高藝術鍵入數據信號時都不會行成分明的非非線性模糊。 3. 高二上階和二階雙音截掉點:區別為+95 dBm(舉例值)和+93 dBm(舉例值),也可以辦理幅寬上度的發送數據信息而沒受引響。 4. 高公率1 dB縮減點:主要臨界值+32 dBm,輸出公率大,在高根據情形下仍能保持良好較低模糊。 5. 事業高溫因素規模廣:可使用在-55℃至+100℃的事業生態高溫因素,-62 ℃至 +125 ℃的貯存高溫因素標準要求。 6. 頻繁 范疇比較廣泛:0.5 - 35 MHz,可滿足需要各種不同頻繁 下的app需要量。 7. 手機輸入/打出熱效率及增益值控制外形尺寸明確責任:還具有清楚的熱效率、增益值控制和壓解點外形尺寸,便利用戶的在方案和應運時來確切位置。 8. VSWR低:設置和讀取電流電壓駐波比均不低于1.5:1,可以保障數據傳導錯誤率。 9. 常用性教育研究方向大量:wlan數據通信、預警雷達、測試英文機器等教育研究方向,常用性于可以外理不大訊號并做到訊號完善性和安全性能的場境。
CHARACTERISTIC | TYPICAL Ta=25 ℃ | MIN/MAX Ta =0℃ to+50℃ |
Frequency | 0.5 -35 MHz | 05-35 MHz |
Gain(dB) | 22 | 21.5 Min./ 22.5 Max |
Gain Flatness (dB) | 0.5 | 0.5 Min. |
Power @ 1 dB Comp.(dBm) | +32 | +31 Min |
P2(dBm)5-35 MHz | 93 | 90 Min |
IP3(dBm | 49 | 47 Min. |
Reverse lsolation (dB) | 27 | 26 Min. |
VSWR | In Out | <1.5:1 <1.5:1 | 1.5:1 Max 1.5:1 Max |
Noise figure (dB) | 3.7 | 4.0 Max |
Powe Vdc mA | +24 425 | +24 450 Max |