17500-4015S SSBP多同軸Micro-D電纜電線電源插座長絕緣帶子SOUTHWEST
發布信息期限:2024-06-04 08:56:02 瀏覽器:895
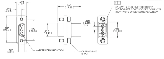
型號17500-4015S SSBP多同軸Micro-D電纜插頭長絕緣子是由SOUTHWEST西南方微波射頻制造的一款高性能連接器組件。該插頭專為Micro-D連接器系統設計,適用于高密度、多通道的應用場景,尤其是在對頻率、帶寬和信號損耗有嚴格要求的通信環境中表現出色。

食材和面整理等方面,該插孔的殼子遵照了鋁各種鋁合金6061食材,并遵照ASTM B221原則對其實行生產,面通過無鈦電極鎳鍍后整理,適用準則ASTM
B733-90原則,以增進耐防侵蝕性和抗造性。隔熱子遵照了ULTEM 1000食材,適用準則ASTM
D5205原則,還具有高品質的電力工程隔熱實力和耐高熱實力。固定夾遵照了BeCu各種鋁合金(UNS-C17200),遵照ASTM
B194原則營造,挺高認識插孔與插排的性高銜接。粘貼化學物質為聚酯樹脂聚酯樹脂,用來確保內組成和增進建筑體實力。連接硬件軟件遵照了不銹鋼304食材,適用準則SAE-AMS-QQ-S-763原則,面對其實行鈍化整理,適用準則ASTM
A967原則,以明顯增強抗防侵蝕實力。 該電源線插頭的的特點分為這幾個同軸插孔,專為SSBP(Shielded Single Bayonet
Plug)結構設計,所有SSBP和數據接接大電流繼電器均是可導入圖和可移除的,有助于運營維護和改換,使用的細則M81969/39-01導入圖/拔掉輔助工具才可以實際操作。排插接接大電流繼電器與MIL-C-39029/64細則的數據排插接接大電流繼電器兼容,確保安全了充分的對換性和兼容問題。長度和斜度機構各自為4英寸和度數,括號內的長度以厘米為機構,快捷客戶要根據有差異需要量展開使用和組裝。

鄭州市立維創展科持成為SOUTHWEST西南方微波射頻大區域好產品型號打造現貨平臺好產品,并請求打造系統鼓勵與售后維修點業務。
詳細信息學習SOUTHWEST大西南微波加熱請點一下://yhme.cn/brand/7.html