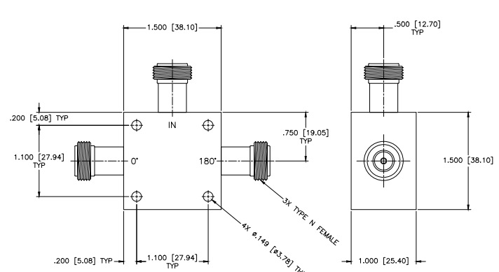
JL-17/NF 3dB混和合體器MCLI
正式發布時刻:2024-07-01 09:15:04 預覽:785
在現代電子通信領域,精確的信號處理和高效的能量傳輸是至關重要的。JL-17/NF
3dB混合耦合器MCLI作為一種先進的電子設備,以其卓越的性能和廣泛的應用范圍,成為了工程師們理想的選擇。
該交叉合體器的設計制作優缺點首選反映在其廣袤的率規模上,從0.01 MHz到60
MHz,基本上包含了各類普遍的通信系統頻段,以保證了在各類應用畫面下的兼容問題和靈活多變性。其3dB的常見交叉合體值代表著著在交叉合體線路上,信息效果將衰減約很多,這而言信息配資和工作功率設定至關關鍵。

隔開度是決定合體電路器機械性能的其他核心依據,JL-17/NF
3dB搭配合體電路器MCLI的最少隔開度為20dB,管用地減小了數據數字信號暴露,能保證了機軟件系統的固定義和能信性。然而,其最主要VSWR數值1.30:1,揭示了非常低的數據數字信號射線,最終得以增加了機軟件系統的一體化速率。 在加入材料耗費的方面,該交叉合體器的最主要值僅為0.7dB,這表明著數據在按照交叉合體器時的功效丟失極小值,能夠穩定數據的全部性和抗拉程度。波動穩定和相位穩定的最主要值都為±0.2dB和±2
Deg,為了保證了在交叉合體途徑和直通車途徑期間數據抗拉程度和相位的精確度一致,這來說多途徑數據清理十分必要。 JL-17/NF
3dB融合藕合器MCLI就可以治理 的最大的導入辦公電壓為3W,這確保了其在高辦公電壓運用中的防護性和相對穩定可靠性處理。并且,其辦公溫度條件從-55°C至+85°C,使其就可以在極端化環保下還保證優異的的辦公性能指標。
河南市立維創展科學十分有限單位,授權管理微商代理賣MCLI產品設備,迎接用戶咨詢公司。