MAAD-011021-0GPDIE數字5衰減器外盤庫存量MACOM
發布了時刻:2024-10-15 17:37:16 瀏覽器:695
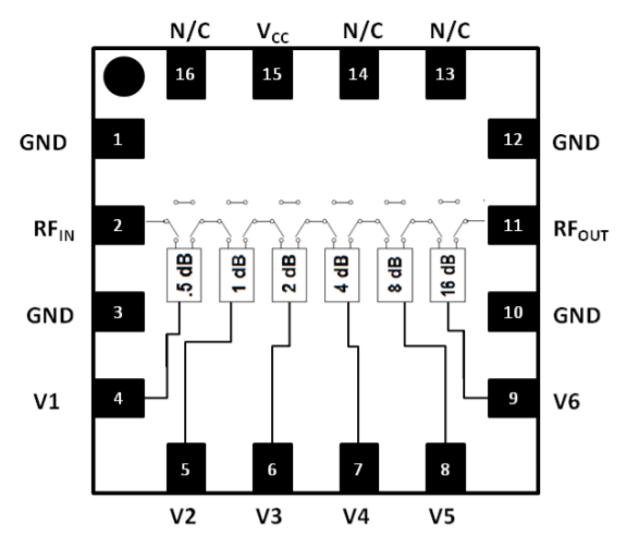
MACOM的MAAD-011021-0GPDIE是款覆蓋DC至30 GHz的寬帶6位數字衰減器。衰減位值為0.5 dB LSB(最低索引值)、1、2、4、8和16 dB,總衰減為31.5 dB。MAAD-011021-0GPDIE衰減偏差通常低于+/-0.5 dB,RMS相位偏移在20 GHz時低于5度,典型插入損耗在15 GHz時為7.2 dB。在大多數頻率和衰減情況下,插入損耗一般為12dB。
MAAD-011021-0GPDIE衰減器一體化化其中一種交流伺服驅動器,適用對并接/串連衰減保證單化控住。交流伺服驅動器須要-5V轉換開關外接電源(VCC)和17mA的先進典型直流電壓量,邏緝性為0V/+5V。MAAD-011021-0GPDIE可用為裸片可以提供;

特色6位,0.5 dB LSB,31.5 dB施用時間范圍低均方根相位4.3°@20 GHz+/-0.5 dB基本特征次方偏差值集成系統TTL 0/+5V操控性DC至30 GHz的使用所有的控制與偏壓的ESD保護性無鉛3mm 16管腳PQFN封裝形式好產品規格參數認為:數字1衰減器,6位,0.5 dB LSB步幅最少聲音頻率(MHz):0最高的頻帶寬度(MHz):30000衰減器適用位置(dB):31.5添加耗費(dB):6.000個數:6IIP3(dBm):38裝封:3mm PQFN-16LD封裝形式類目:塑料材質外表貼裝技木ROHS:YES蘇州市立維創展科技產業品牌授權微商代理MACOM貨品線,一般批發商MACOM的可變性增益控制值擴大器,功效擴大器,低噪音分貝擴大器,波形擴大器,混擴大器,FTTx擴大器,分布不均式擴大器,擴大器增益控制值版塊,有源分割器,功分器,倍頻器,混式混頻器,混頻器,上伺服控制器器,自然數衰減器,自然數移相器,功效檢驗員器,壓控衰減器等種半導體器件。如需定購MACOM貨品,請點擊進入左面人工客服服務咨詢!!!