HMC7885FH18單處理器紅外光集成式電線(MMIC)工作功率擴大器(PA)模組 ADI期貨代理權商
推出時間:2018-06-19 16:42:54 打開網頁:2501
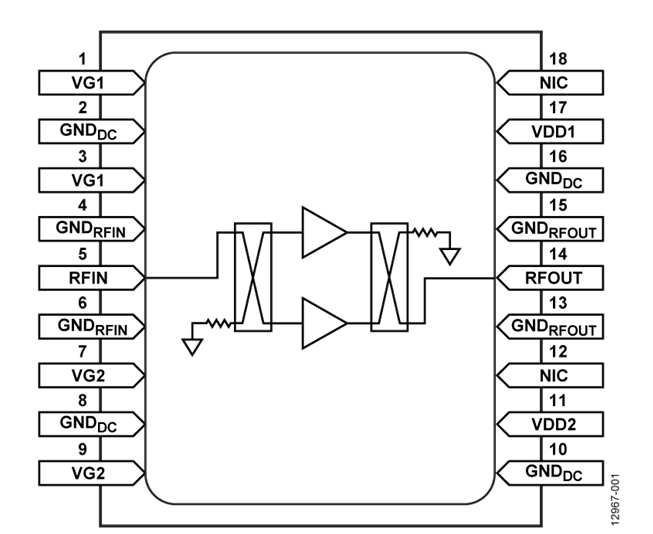
HMC7885FH18是一個款32 W氮化鎵(GaN)、單基帶芯片紅外光集成型電路原理(MMIC)工作中電壓放縮器(PA)工作輸出電壓方案,工作中規律范圍圖為2 GHz至6 GHz,可以給予18引腳密封工作輸出電壓方案芯片封裝。該放縮器一般來說可以給予21 dB小預警增加收益和45 dBm是處于飽和狀態微波射頻(RF)工作輸出電壓工作中電壓。該放縮器用于28 V整流外接電源的空態功能消耗(IDD)為2200 mA。隔直RF復制粘貼和工作輸出電壓配比至50 ?,操作省事。
品牌
|
型號
|
描述
|
貨期
|
庫存
|
ADI
|
HMC7885FH18
|
2 GHz至6 GHz,45 dBm功率放大器
|
現貨
|
78
|
HMC7885FH18應用
-
測試與測量設備
-
通信
-
電子戰(EW)
-
軍事
-
行波管(TWT)替換產品
-
SATCOM
HMC7885FH18優勢和特點
-
2 GHz至6 GHz
-
小信號增益:21 dB(典型值)
-
飽和RF輸出功率:45 dBm(典型值,POUT)
-
18引腳、密封模塊
-
工作溫度范圍為-30°C至+60°C
HMC7885FH18結構圖
