Ka中波段驅使變小器HMC-AUH256/HMC-AUH256-SX ADI現貨交易代理權
發布消息時候:2018-12-03 11:18:50 訪問:2134
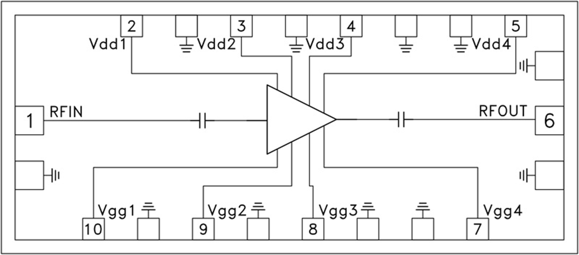
HMC-AUH256就是款Ka波長GaAs MMIC HEMT3級驅動安裝調大器,運轉率領域17.5至41 GHz。 因此外形尺寸較小(1.93 mm2),該IC處理器可容易融合到多IC處理器板塊(MCM)中。 HMC-AUH256在1 dB再壓縮點展示21 dB的收獲和+20 dBm的業務輸出電率,采用+5V的偏置電源模塊(295 mA)。 HMC-AUH256還可以用作倍頻器。 變現倍頻器運轉的基本偏置前提。
品牌
|
型號
|
貨期
|
庫存
|
ADI
|
HMC-AUH256
HMC-AUH256-SX
|
1周
|
200
|
如若您需要購買HMC-AUH256/HMC-AUH256-SX,請點擊右側客服聯系我們!!!
|
使用
優勢和特點
-
增益: 21 dB
-
P1dB輸出功率: +20 dBm
-
寬帶性能:
17.5至41 GHz
-
電源電壓:
+5V (295 mA)
-
小尺寸芯片:
2.1 x 0.92 x 0.1 mm
節構圖
