HMC7357LP5GE/HMC7357LP5GETR一般瓦數縮放器聲音頻率5.5至8.5 GHz ADI現貨平臺
發布了時間段:2018-06-22 16:06:19 瀏覽訪問:2624
HMC7357一款兩級GaAs pHEMT MMIC一般做工作工作額定電壓調大器,做工作頻次面積為5.5至8.5 GHz。 該調大器的增益控制為29 dB,過飽滿輸出做工作工作額定電壓為+35 dBm,PAE為34%,電源適配器額定電壓為+8V。 HMC7357給出+41.5 dBm的好品質輸出IP3便用性能,異常最合適非線性app,比方說高存儲容量直連和點對多點兒移動電或VSAT/SATCOMapp——相似app要含有+35 dBm的高效、性價比最高過飽滿輸出做工作工作額定電壓。 RF I/O內壁適配至50 Ω,便用省事。 HMC7357所采用無鉛5x5 mm塑料件表貼二極管封裝,與表貼研發系統兼容。
品牌
|
型號
|
描述
|
貨期
|
庫存
|
ADI
|
HMC7357
|
GaAs pHEMT MMIC 2 W功率放大器,5.5 - 8.5 GHz
|
現貨
|
120
|
HMC7357LP5GE應用領域
-
點對點無線電
-
點對多點無線電
-
VSAT和SATCOM
HMC7357LP5GE優勢和特點
-
Pout:+35 dBm (34% PAE)
-
高P1dB輸出:+34 dBm
-
高輸出IP3: +41.5 dBm
-
高增益: 29 dB
-
50 Ω匹配輸入/輸出
-
電源電壓: Vdd = 8V (1200 mA)
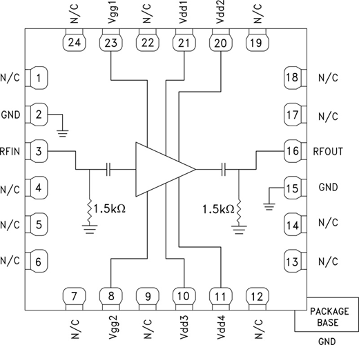
HMC7357LP5GE結構圖
