HMC1086F10氮化鎵(GaN) MMIC馬力變大器10引腳法蘭部封口 ADI外盤
上線用時:2018-06-22 16:28:05 預覽:7065
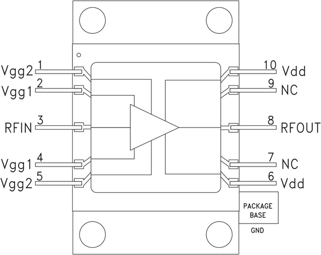
HMC1086F10不是款25W氮化鎵(GaN) MMIC最大額定公率變小器,工作的頻繁位置為2至6 GHz,所采用了10引腳蝶閥法蘭貼裝封裝類型。 該變小器基本上帶來了23 dB小電磁波增益值,+44.5 dBm呈現飽和狀態工作效果最大額定公率,在+33 dBm工作效果最大額定公率/電磁波音下,帶來了+46 dBm工作效果IP3。 該變小器所采用了+28V直流電壓電壓的動態功率為1,100 mA。 隔直RF I/O適應至50 Ω,采用便利。
品牌
|
型號
|
描述
|
貨期
|
庫存
|
ADI
|
HMC1086F10
|
25 W GaN法蘭貼裝MMIC功率放大器,2 - 6 GHz
|
現貨
|
230
|
HMC1086F10應用
HMC1086F10優勢和特點
-
高Psat: +44.5 dBm
-
Psat下功率增益: 11 dB
-
高輸出IP3: +46 dBm
-
小信號增益: 23 dB
-
電源電壓: +28V (1100 mA)
-
50 Ω匹配輸入/輸出
-
10引腳法蘭封裝
HMC1086F10結構圖
