中文翻譯
LA302 Z–10GHz差分限制放大器
LA302 Z–10GHz差分限制放大器高參數流量16針橡膠QFN裝封抽樣率:限幅變大器搜索速率:10 GHzSFDR:
LA310Z–8.3 GHz差分限制放大器
LA310Z–8.3 GHz差分局限性變小器取樣率:限幅拖動器投入帶寬的配置:10 GHzSFDR:
10 Gbps跨阻放大器 TA205C
10 Gbps跨阻放縮器 TA205C功用:10 Gbps跨阻圖像功率放大器(5V)
LD162D? 差分激光二極管驅動器
OC-192/STM-64/10GbELD162DZ\U_G0 差分激光行業肖特基二極管能夠器32針QFN打包封裝基本功能:差分TOSA推動器(5V)
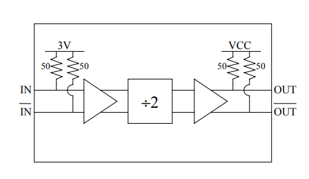
14GHz Divide-by-2 DV002
14GHz Divide-by-2 DV002分頻比:2數字時鐘的頻率:14 GHz基本特征:低充電
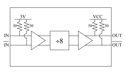
14GHz Divide-by-8 DV008
14GHz Divide-by-8 DV008分頻比:8掛鐘聲音頻率:14 GHz特征:低電量
特征:低電量
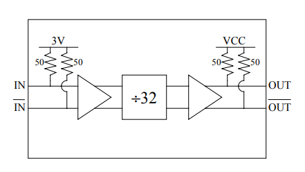
14GHz Divide-by-32 DV032
14GHz Divide-by-32 DV032分頻比:32石英鐘概率:14 GHz特色:低充電
12GHz Dual-Modulus Divide-by-4/5 DV45D
12GHz Dual-Modulus Divide-by-4/5 DV45D分頻比:4/5秒表頻繁 :12 GHz顯著特點:雙模量4/5
10GHz Programmable Divide-by-2 to 31 DV31P
10GHz Programmable Divide-by-2 to 31 DV31P分頻比:2?31鬧鐘工作頻率:10 GHz優點:可代碼編程變位系數2?31
8GHz Programmable Divide-by-128 to 255 DV255N
8GHz Programmable Divide-by-128 to 255 DV255N分頻比:128?255石英鐘頻點:8 GHz有特點:可程序編程變位系數128?255
共2頁40條數據