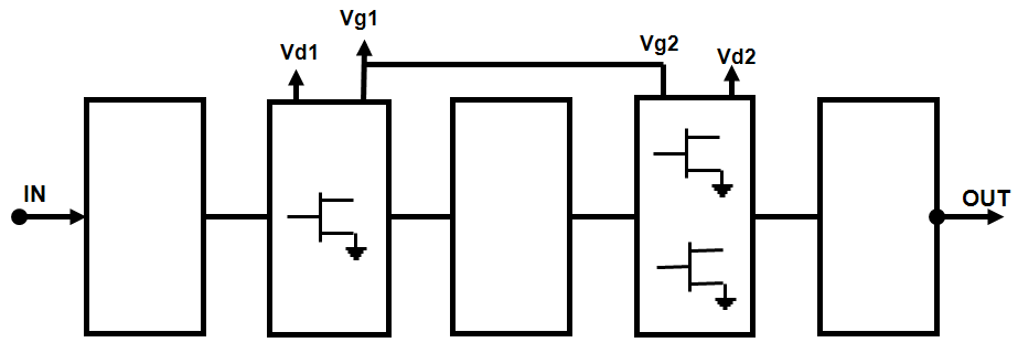
CHA6005-99F是高功率放大器單片電路,集成了兩個級并產生32.5dBm的輸出功率,與38%的高功率附加效率相關。
它的設計用來從國防安全到工業通信網絡平臺的多方面廣泛。
該電路板適用pHEMT工藝設備制作,柵極時長為0.25μm,可以通過基材的通孔,氧氣橋和電子器件束柵幻影刻技能制作。
它以單片機芯片手段出示。
微波射頻元電子器件
CHA6005-99F 放大器– HPA
rf射頻帶寬起步(GHZ): 8-12收獲(dB):22收獲十分平整光滑度(+/- dB):-噪聲源指數公式(dB):31.5增益管理管理范疇(dB):32.5P-1dB輸出的(dBm):38定購交貨期:3-4周CHA6005-99F是高功率放大器單片電路,集成了兩個級并產生32.5dBm的輸出功率,與38%的高功率附加效率相關。
它的設計用來從國防安全到工業通信網絡平臺的多方面廣泛。
該電路板適用pHEMT工藝設備制作,柵極時長為0.25μm,可以通過基材的通孔,氧氣橋和電子器件束柵幻影刻技能制作。
它以單片機芯片手段出示。