HMC311LP3異質結雙旋光性晶胞管 ADI期貨
公布的時期:2019-02-18 10:05:38 觀看:1620
HMC311LP3也是款GaAs InGaP異質結雙電性納米線管(HBT)增益值值值值功能模塊MMIC SMT調大器,工作的的頻率位置為DC至6 GHz。 此款3x3mm QFN封裝形式調大器代替作級聯50 Ohm增益值值值值級或代替安裝驅動輸出的精度電功率達到了+17 dBm的HMC混頻器LO。 HMC311LP3(E)可以展示14.5 dB的增益值值值值,+32 dBm的輸出的精度IP3,與此同時僅需+5V電源適配器可以展示56 mA交流電。 所要的達林頓回饋對可減輕對平常加工制作工藝 發生改變的神經敏感度,可以展示不錯的溫度因素增益值值值值相對穩確定,只需很少的靜態偏置元器件封裝。
品牌
|
型號
|
貨期
|
庫存
|
ADI
|
HMC311LP3
|
1周
|
60
|
倘若您必須要 購HMC311LP3,請打開右測客服專員認識各位!!!
HMC311LP3app
-
蜂窩/PCS/3G
-
固定無線和WLAN
-
有線電視和電纜調制解調器
HMC311LP3強勢和亮點
-
P1dB輸出功率: +15.5 dBm
-
輸出IP3: +32 dBm
-
增益: 14.5 dB
-
50 Ohm I/O’s
-
16引腳3x3 mm SMT封裝: 9mm2
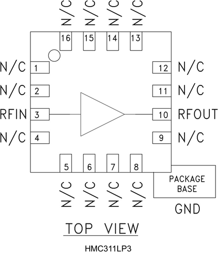
HMC311LP3結構圖

深圳市立維創展科技代理銷售ADI現貨產品,致力于為廣大客戶提供低價格、高質量、有保障的產品,提供優質的售前與售后服務技術。如您有任何產品需求以及服務請聯系我們客服人員,我們會再第一時間內為您解決問題。