HMC409LP4E/HMC409LP4ETR工作效率高率輸出功率放縮器 ADI期貨
發布的精力:2018-06-26 11:07:05 訪問 :7547
HMC409LP4(E)是一個款高效能率GaAs InGaP HBT MMIC熱效率放縮器,作業平率范圍圖為3.3至3.8 GHz。 該放縮器適用低料工費、無鉛SMT裝封。 它適用少的外接pcb板,打造31 dB增加收益,供大于求熱效率為+32.5 dBm,電源適配器輸入工率為+5V。 熱效率把控(Vpd)要用于全空調省電基本模式或RF輸入熱效率/電流量把控。 而言+22 dBm OFDM輸入熱效率(64 QAM, 54 Mbps),HMC409LP4(E)可變現2%的誤差率矢量素材小幅度(EVM),導致夠滿足WiMAX 802.16線型度條件。
品牌
|
型號
|
描述
|
貨期
|
庫存
|
ADI
|
HMC409LP4E
HMC409LP4ETR
|
1 W功率放大器SMT,3.3 - 3.8 GHz
|
現貨
|
237
|
HMC409LP4應用
-
WiMAX 802.16
-
固定無線接入
-
無線本地環路
HMC409LP4優勢和特點
-
增益: 31 dB
-
40% PAE (+32.5 dBm pout)
-
2% EVM (Pout = +22 dBm)
具有54 Mbps OFDM信號
-
+46 dBm輸出IP3
-
集成功率控制(Vpd)
-
+5V單電源
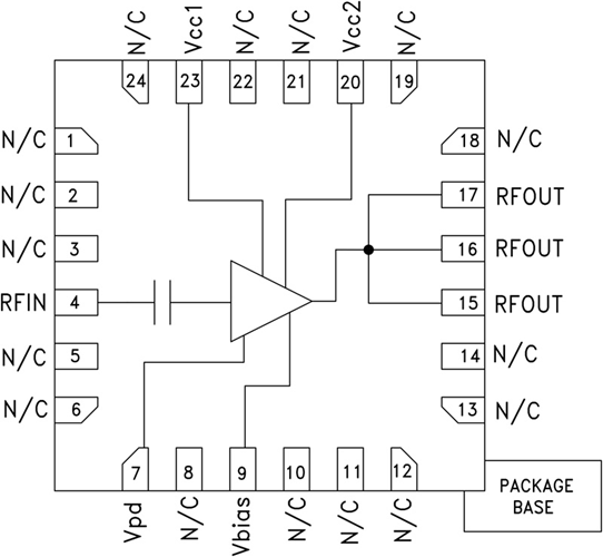
HMC409LP4結構圖
