HMC468ALP3E帶寬3位GaAs IC數子衰減器 期貨
頒布時長:2019-02-26 14:04:23 觀看:1626
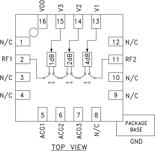
HMC468ALP3E一款移動寬帶3位GaAs IC小數衰減器,選取低的成本無引腳外面貼裝封裝形式。 在DC到6.0 GHz速率下辦公,嵌入耗費如果低于1 dB具代表性值,極高高達4 GHz。 衰減器位值一般取舍1 (LSB)、2和4 dB,總衰減為7 dB。 衰減gps精度很高,具代表性步長測量誤差為±0.4 dB,IIP3為+55 dBm。 以下三個操縱線電壓鍵入在0和+5V期間調成,用作取舍每項衰減壯態。 需用+5V的單獨的Vdd偏置。
品牌
|
型號
|
貨期
|
庫存
|
ADI
|
HMC468ALP3E
|
1周
|
120
|
如若您需要購買HMC468ALP3E,請點擊右側客服聯系我們!!!
app
-
蜂窩;UMTS/3G基礎設施
-
固定無線和WLL
-
微波無線電和VSAT
其優勢和的特點
-
1 dB LSB步進至7 dB
-
高IP3: +55 dBm
-
誤碼率:±0.25 dB(典型值)
-
每位單個控制線路
-
+5V單電源
-
3x3 mm SMT封裝
關心圖

深圳市立維創展科技代理銷售ADI現貨產品,致力于為廣大客戶提供低價格、高質量、有保障的產品,提供優質的售前與售后服務技術。如您有任何產品需求以及服務請聯系我們客服人員,我們會再第一時間內為您解決問題。