HMC383LC4/HMC383LC4TR萬能MMIC驅動下載放縮器 ADI外盤代銷商商
更新日期:2018-06-29 13:42:06 搜素:2345
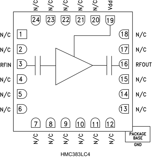
HMC383LC4一款公用GaAs PHEMT MMIC變頻器器調小器,用到遵循RoHS準則的無引腳SMT二極管封裝形式。 該調小器用到+5V單供電,增加收益控制為15 dB,供大于求馬力為+18 dBm。 在一整個上班頻段內兼備保持一致的增加收益控制和輸出電壓馬力,而有能在很多無線網電頻段應用一兩個公用的變頻器器器/LO調小器。 隔直RF I/O自動匹配至50 Ω,應用方便快捷。 HMC383LC4用到遵循RoHS準則的無引腳4x4 mm 二極管封裝形式,兼容從表面貼裝營造技術水平。
品牌
|
型號
|
描述
|
貨期
|
庫存
|
ADI
|
HMC383LC4
HMC383LC4TR
|
中等功率放大器SMT,12 - 30 GHz
|
現貨
|
337
|
HMC383LC4應用
-
點對點無線電
-
點對多點無線電和VSAT
-
測試設備和傳感器
-
HMC混頻器LO驅動器
-
軍事和太空
HMC383LC4優勢和特點
-
增益: 15 dB
-
飽和輸出功率: +18 dBm
-
輸出IP3: +25 dBm
-
單正電源:
+5V (100 mA)
-
50 Ω匹配輸入/輸出
-
符合RoHS標準的4x4 mm封裝
HMC383LC4結構圖
