HMC713LP3ETR/HMC713LP3E多數檢波器/掌控器 ADI現貨交易
上架時間:2018-07-09 12:01:46 看:6927
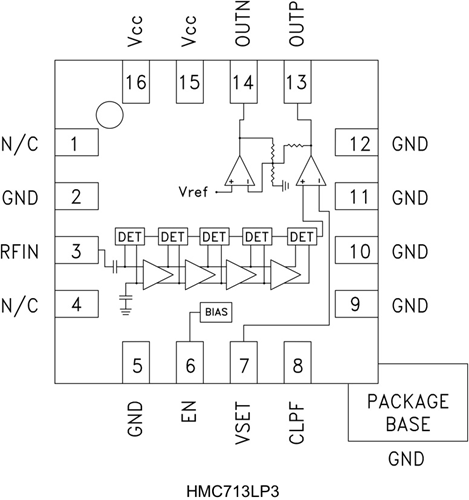
HMC713LP3E常用常用對數檢波器/掌握器極其適用將RF警報(50 MHz至8000 MHz工作頻次位置內)的工作電壓值值在導入的輸入端裝換為與導入工作電壓值值正比的直流變壓器電壓值值。 HMC713LP3E所采用累計壓縮視頻水平,可在寬導入工作頻次位置內給予極具高預估控制精度的54 dBgif動態位置。 由于導入警報擴大,累計調小器逐步開始飽滿,得以制成準確度的常用常用對數數學函數有相擬值。 一類型檢波器導入的輸入求和、裝換為電壓值值域并緩存帶動OUTP導入的輸入。
若您有任意問題,請溝通自己立維創展,自己會盡明顯勤奮用心服務管理。
在檢查形式下,OUTP引腳鏈接到VSET搜索,能提供17 mV/dB標稱對數計算斜率和-68 dBm截距。
HMC713LP3E也不錯在管控器機制下的使用,在該機制下向VSET引腳增加外部結構端電壓以構建AGC或APC評議環路。
品牌
|
型號
|
描述
|
貨期
|
庫存
|
ADI
|
HMC713LP3ETR
HMC713LP3E
|
54 dB對數檢波器/控制器,采用SMT封裝,50 - 8000 MHz
|
現貨
|
170
|
HMC713LP3ETR采用
-
蜂窩基礎設施
-
WiMAX, WiBro和amp; LTE/4G
-
電源監控和控制電路
-
接收機信號強度指示(RSSI)
-
蜂窩基礎設施
-
自動增益和功率控制
HMC713LP3ETR優勢和特點
-
寬動態范圍: 高達54 dB
-
高精度: ±1 dB (54 dB)
范圍高達2.7 GHz
-
快速輸出響應時間
-
電源電壓: +2.7至+5.5V
-
省電模式
-
出色的溫度穩定性
-
16引腳3x3 mm SMT封裝: 9mm2
HMC713LP3ETR結構圖
