HMC7441/HMC7441-SX三級GaAs pHEMT工作功率圖像放大電路 ADI外盤加盟加盟商
上架用時:2018-06-21 15:39:47 手機瀏覽:2801
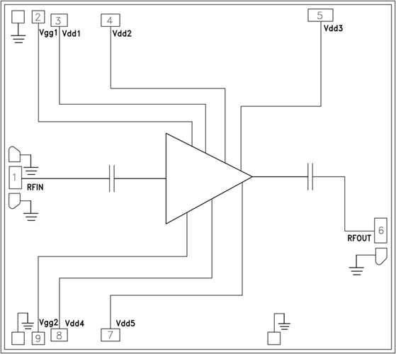
HMC7441都是款三類GaAs pHEMT運作熱效率放縮器,運作概率區間為27.5至31 GHz。 該放縮器的收獲為23 dB,供大于求讀取運作熱效率為+34 dBm,PAE為25%,供電電壓電流為6V。 HMC7441提供了+38 dBm的如此出色讀取IP3性能指標,如此適于直線軟件軟件,造問Ka頻段VSAT、高儲電量點對點通信或點對多些手機無線電——這種軟件軟件讓體現了+34 dBm的更高效供大于求讀取運作熱效率。 RF I/O隔直并一致至50 Ω,能能更方便集成化到多電子器件控制器(MCM)中。 所以數據顯示均采取50 Ω軟件測試卡具中的電子器件測是,該卡具借助那條尺寸為0.025mm (1 mil)、的長度為0.31 mm (12 mil)的焊線連接方式。
品牌
|
型號
|
描述
|
貨期
|
庫存
|
ADI
|
HMC7441
HMC7441-SX
|
GaAs pHEMT MMIC 2 W功率放大器,27.5 - 31 GHz
|
現貨
|
36
|
采用
-
點對點無線電
-
點對多點無線電
-
VSAT和SATCOM
-
軍事和太空
優勢和特質
-
飽和輸出功率:
++34 dBm (25% PAE)
-
高輸出IP3: +38 dBm
-
高增益: 23 dB
-
直流電源: +6V (1,000 mA)
-
無需外部匹配
-
芯片尺寸: 3.18 x 2.84 x 0.1 mm
結構特征圖
