HMC7149/HMC7149-SX氮化鎵(GaN) MMIC功效調小器 ADI現貨平臺經銷商
更新用時:2018-06-22 16:02:59 查看:2370
HMC7149就是一款10W氮化鎵(GaN) MMIC電率擴大器,工作的率條件為6至18 GHz。 大部分具體情況下,該擴大器帶來了20 dB的小4g信息增益值、+40 dBm的過飽和打印打印輸入輸出電率相應+39.5 dBm的打印打印輸入輸出IP3(每4g信息音+28 dBm打印打印輸入輸出電率時)。 采用了+28V交流電電源開關時,HMC7149的耗電為680 mA。 RF I/O適配至50 Ω,能能非常方便傳感器化到多電源集成塊傳感器(MCM)中。 任何高壓電器穩定性數據報告均確認高壓電器聯接至板厚為為1.02 mm (40 mil)的CuMo膜蛋白的電源集成塊獲得,而多家直徑約為1.0 mil的焊線聯接電源集成塊至50 ?空氣三氧化二鋁接入的線路。
品牌
|
型號
|
描述
|
貨期
|
庫存
|
ADI
|
HMC7149
HMC7149-SX
|
10 W GaN MMIC功率放大器,6 - 18 GHz
|
現貨
|
100
|
HMC7149采用
HMC7149優勢和特點
-
高Psat: +40 dBm
-
Psat時的功率增益: +10 dB
-
高輸出IP3: +39.5 dBm
-
小信號增益: 20 dB
-
電源電壓: +28V (0.680 A)
-
50 Ω匹配輸入/輸出
-
芯片尺寸: 3.4 x 4.5 x 0.1 mm2
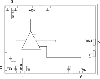
HMC7149結構圖
