118097-HMC646LP2/118098-HMC646LP2/118099-HMC646LP2/118100-HMC646LP2 SPDT開關
2018-07-24 16:45:29
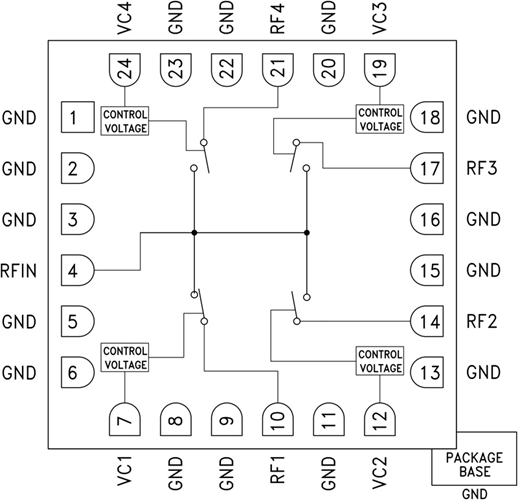
HMC646LP2(E)是一個款SPDT觸點控制開關,適用無引腳DFN表貼金屬芯片封裝,可以使用于導彈發射/收到和LNA保護好等耍求越來越低失幀和到達40 W、占空比高于10%的高電率運用。 這種魯棒的觸點控制開關閉環制100 - 2100 MHz*的電磁波,異常最合適TD-SCDMA/3G中繼器、PMR、汽車汽車遠程關機數據信息治理 和定位用戶的華為設備運用。