MUN3CAD01-SB電源模塊替代SY98001,TPS62808,TPS62807,TPS62821
2025-04-25 16:36:39
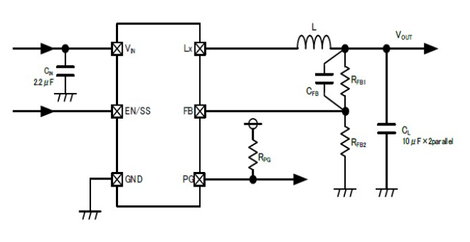
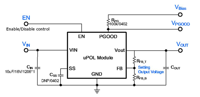
Cyntec(玄黃)MUN3CAD01-SB 可原位代用SY98001,TPS62808,TPS62807,TPS62821,更換 ADI 同級集合與尺碼成品,連接 TI 代表成品輸入輸出電流值、電流值使用需求(需評定超低電流值場景中)。其集合性高減少 PCB 范圍,效果高功耗測試低,無鉛生態環保且靠譜性佳,利潤低、一大量成批化進貨優勢與劣勢特別,供貨合同時間段 4 - 6 周、部位有期貨,供貨合同穩定的。