?LWH03060YAH替代PTH03060YAH:高性能電源模塊的優選方案
2025-06-04 16:34:15
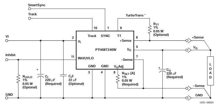
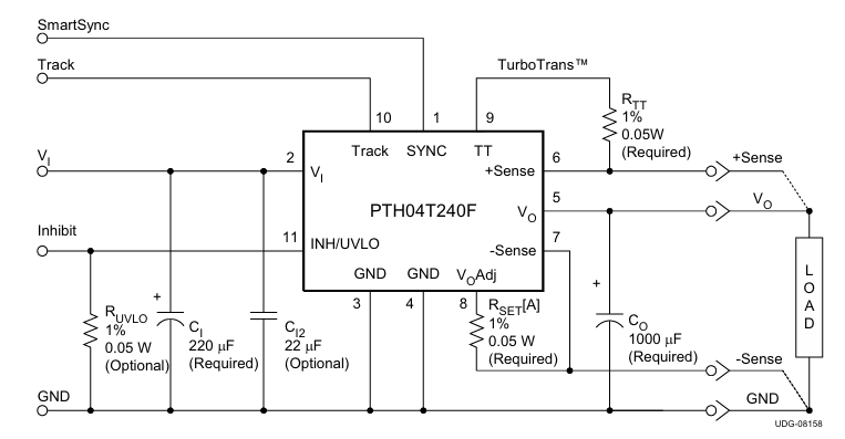
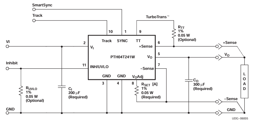
因 PTH03060YAH 采購渠道時期變長與總成本預算問題,LWH03060YAH 常利用在為其方式細則,常利用在化學工業調整等對可靠的性和效果必須高的場景設計。它采用了與 PTH03060YAH 同樣的 10-DIP 封裝形式,電氣成套安全性能產品參數超高識別,不需獲取 PCB 布置圖可以替代。一起,LWH03060YAH 在氛圍轉變性上更優質,事業水溫范圍之內更寬、抗串擾效果更強、利用時間更長,且采購渠道時期更短、總成本預算合理安排 15%-20%,是建設項目工程師回應元功率器件提供價格波動的好之選 。