?CMD236C4寬帶MMIC SP6T(單刀六擲)射頻開關Qorvo原裝現貨
2025-06-06 16:32:01
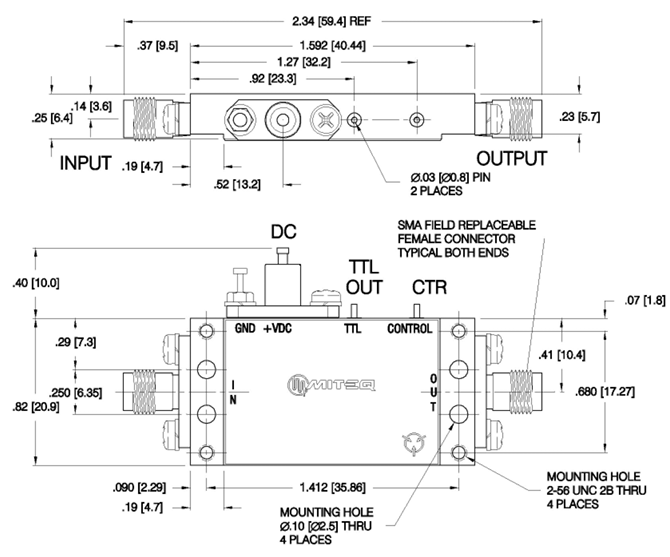
CMD236C4是Qorvo平臺面市的寬帶網MMIC SP6T(單刀六擲)頻射面板開關,選取4x4豪米無引線面貼裝二極管芯片封口,覆蓋住DC至18GHz頻段,在10GHz時兼具低至2.5dB的放材料耗費和超過42dB的丟開度,遵循60ns調節運行速度、16dBm的1dB擠壓點,選取瓷質QFN二極管芯片封口并集成化企業創新板載二進制解密器以變得簡化結構來設計,還都有提高效率輸電和低電壓電壓耗費特質,其緊促二極管芯片封口、非全反射式結構來設計及優化提升MMIC控制系統相當適于房間受阻的高頻控制系統,可應運于軍工用雷達探測和光電戰控制系統、衛星信號通信系統設配、測試軟件在測量器器設備及5G移動基站頻射前端開發等的領域。