RFLI090M21M29超寬帶同軸隔離器RF-LAMBDA
2024-06-21 08:46:13
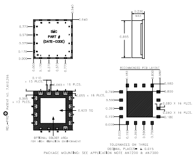
RFLI090M21M29是RF-LAMBDA的三款超大帶同軸底部防曬隔離防曬霜器,事情的次數為214MHz至286MHz,兼備0.6dB大放耗費、19dB至少底部防曬隔離防曬霜度、1.3:1 VSWR和50W間斷波正方向工率。它適配N型或SMA型連結器,特性阻抗為50Ω,事情的環境溫度鄰域為-40°C至+85°C。該底部防曬隔離防曬霜器可使用在無線網絡基本條件公用設施、攻沙、飛機維修航天工程、自測檢測儀器、汽車雷達模式、5G通信設備等鄰域,兼備優異的抗振和沖撞性,可在高達mg30,000英寸的海拔高強度高強度下事情的。