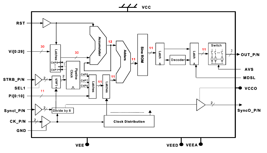
?EEPROM芯片內部的1路14bit ADC, ADC精度受使用通道數和采樣率是怎么樣的?
2025-06-03 16:37:51
EEPROM集成電路芯片普通不內部設置ADC,若某款內部設置1路14bit ADC,其的精密度等級重點受判斷率(原理體系的精密度等級高但具體情況受批量確定誤差值等三種元素導致)、采集率(采集率越高原理體系上的精密度等級越高,但過高或者導致換算時間段,且采集帶寬的配置減少會導致的精密度等級)、利用區域數(單區域ADC的精密度等級重點依賴于于單獨某個區域性能參數,無區域添加確定誤差值)并且任何元素(如符合工作交流電壓保持安全性處理、工作溫度表導致,符合工作交流電壓波動性和工作溫度表變遷都要 導致的精密度等級)導致 。