中文字幕
AM13714530WM-SM-R Ku波段寬帶功率放大器
頻率:13.75-14.5GHz增益值:30P1dB(DBM):30PSAT(DBM):31有效率:15VD(V):8
頻率:13.75-14.5GHz
增益值:30
P1dB(DBM):30
PSAT(DBM):31
有效率:15
VD(V):8
AM050WN-CU-R L/S/C波段寬帶功率放大器
頻率:DC-6GHz增加收益:16.5P1dB(DBM):41.7PSAT(DBM):43VD(V):28
頻率:DC-6GHz
增加收益:16.5
P1dB(DBM):41.7
PSAT(DBM):43
VD(V):28
AM100WN-CU-R L/S/C波段寬帶功率放大器
頻率:DC-6GHz增加收益:14P1dB(DBM):44.5PSAT(DBM):46VD(V):2
增加收益:14
P1dB(DBM):44.5
PSAT(DBM):46
VD(V):2
AM025WN-BI-R L/S/C波段寬帶功率放大器
頻率:DC-8GHz增益控制:16P1dB(DBM):38.9PSAT(DBM):40VD(V):28
頻率:DC-8GHz
增益控制:16
P1dB(DBM):38.9
PSAT(DBM):40
AM012WN-BI-R L/S/C/X波段寬帶功率放大器
頻率:DC-10GHz增加收益:17P1dB(DBM):36.1PSAT(DBM):37VD(V):28
頻率:DC-10GHz
增加收益:17
P1dB(DBM):36.1
PSAT(DBM):37
AM005WN-BI-R ? L/S/C/X波段寬帶功率放大器
頻點:DC-12GHz增益值:15P1dB(DBM):32PSAT(DBM):33.5VD(V):28
頻點:DC-12GHz
增益值:15
P1dB(DBM):32
PSAT(DBM):33.5
AM025WN-00-R L/S/C/X/Ku波段寬帶功率放大器
頻率:DC-15GHz收獲:21P1dB(DBM):38.9PSAT(DBM):40.5VD(V):28
頻率:DC-15GHz
收獲:21
PSAT(DBM):40.5
AM012WN-00-R L/S/C/X/Ku波段寬帶功率放大器
頻率:DC-15GHz收獲:22P1dB(DBM):36.1PSAT(DBM):37.7VD(V):28
收獲:22
PSAT(DBM):37.7
AM005WN-00-R L/S/C/X/Ku波段寬帶功率放大器
頻率:DC-18GHz增益控制:23P1dB(DBM):32PSAT(DBM):33.4VD(V):28
頻率:DC-18GHz
增益控制:23
PSAT(DBM):33.4
AM006MX-QG-R L/S/C波段寬帶功率放大器
頻率:DC-6GHz增益值:13P1dB(DBM):22PSAT(DBM):34VD(V):5
增益值:13
P1dB(DBM):22
PSAT(DBM):34
VD(V):5
AM012MX-QG-R L/S/C波段寬帶功率放大器
頻率:DC-6GHz收獲:13.5P1dB(DBM):25PSAT(DBM):37VD(V):5
收獲:13.5
P1dB(DBM):25
AM024MX-QG-R L/S/C波段寬帶功率放大器
頻率:DC-6GHz收獲:13P1dB(DBM):28PSAT(DBM):39VD(V):5
收獲:13
P1dB(DBM):28
PSAT(DBM):39
AM036MX-QG-R L/S/C波段寬帶功率放大器
頻率:DC-6GHz收獲:12P1dB(DBM):29.5PSAT(DBM):42VD(V):5
收獲:12
P1dB(DBM):29.5
PSAT(DBM):42
AM048MX-QG-R L/S/C波段寬帶功率放大器
頻率:DC-6GHz增益值:11P1dB(DBM):31PSAT(DBM):43VD(V):5
增益值:11
P1dB(DBM):31
AM072MX-CU-R L/S/C波段寬帶功率放大器
頻率:DC-6GHz增益值:11P1dB(DBM):34PSAT(DBM):46VD(V):7
P1dB(DBM):34
VD(V):7
AM100MX-CU-R L/S/C波段寬帶功率放大器
頻率:DC-6GHz增加收益:10P1dB(DBM):35PSAT(DBM):48VD(V):7
增加收益:10
P1dB(DBM):35
PSAT(DBM):48
AM150MX-CU-R L/S/C波段寬帶功率放大器
頻率:DC-6GHz增益值:10P1dB(DBM):36.5PSAT(DBM):50VD(V):7
增益值:10
P1dB(DBM):36.5
PSAT(DBM):50
AM200MX-CU-R L/S/C波段寬帶功率放大器
頻率:DC-6GHz增益控制:10P1dB(DBM):38PSAT(DBM):48VD(V):7
增益控制:10
P1dB(DBM):38
AM300MX-CU-R L/S/C波段寬帶功率放大器
頻率:DC-6GHz收獲:9P1dB(DBM):39.5PSAT(DBM):51VD(V):7
收獲:9
P1dB(DBM):39.5
PSAT(DBM):51
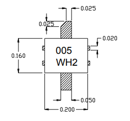
AM005MH2-BI-R L/S/C波段寬帶功率放大器
頻率:DC-6GHz增益控制:15P1dB(DBM):25PSAT(DBM):40VD(V):14
增益控制:15
VD(V):14
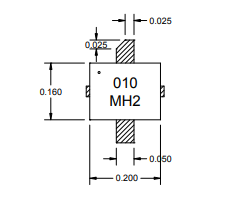
AM010MH2-BI-R L/S/C波段寬帶功率放大器
頻率:DC-6GHz增益值:15P1dB(DBM):28PSAT(DBM):43VD(V):14
AM010MH4-BI-R L/S波段寬帶功率放大器
頻率:DC-3GHz增加收益:19P1dB(DBM):31PSAT(DBM):46VD(V):28
頻率:DC-3GHz
增加收益:19
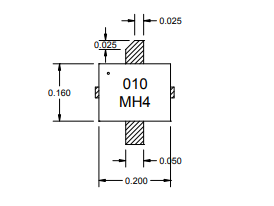
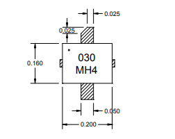
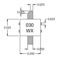
AM030MH4-BI-R L/S波段寬帶功率放大器
頻率:DC-3GH增益控制:19P1dB(DBM):36PSAT(DBM):49VD(V):28
頻率:DC-3GH
增益控制:19
P1dB(DBM):36
PSAT(DBM):49
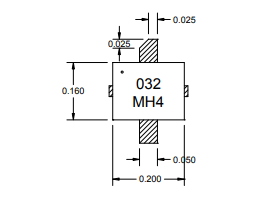
AM032MH4-BI-R L/S/C波段寬帶功率放大器
頻率:DC-6GHz增益值:19P1dB(DBM):36PSAT(DBM):49VD(V):28
增益值:19
AM010WX-BI-R L/S/C波段寬帶功率放大器
頻率:DC-6GHz增加收益:16P1dB(DBM):28.5PSAT(DBM):30VD(V):8
增加收益:16
P1dB(DBM):28.5
PSAT(DBM):30
AM030WX-BI-R L/S/C/X波段寬帶功率放大器
頻率:DC-10GHz增加收益:14P1dB(DBM):33PSAT(DBM):34VD(V):8
P1dB(DBM):33
AM060WX-BI-R L/S/C/X波段寬帶功率放大器
頻率:DC-10GHz收獲:13.5P1dB(DBM):35.5PSAT(DBM):36.5VD(V):8
P1dB(DBM):35.5
PSAT(DBM):36.5
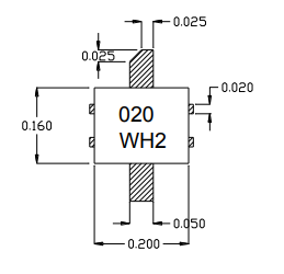
AM005WH2-BI-R L/S/C/X波段寬帶功率放大器
頻率:DC-12GHz增益值:20P1dB(DBM):26PSAT(DBM):27VD(V):14
頻率:DC-12GHz
增益值:20
P1dB(DBM):26
PSAT(DBM):27
AM020WH2-BI-R L/S/C/X波段寬帶功率放大器
頻率:DC-12GHz增益值:18P1dB(DBM):33PSAT(DBM):34VD(V):14
增益值:18
AM030WH4-BI-R L/S/C波段寬帶功率放大器
頻率:DC-6GHz增益控制:21P1dB(DBM):37PSAT(DBM):37VD(V):2
增益控制:21
P1dB(DBM):37
共3頁80條數據